EasyManua.ls Logo

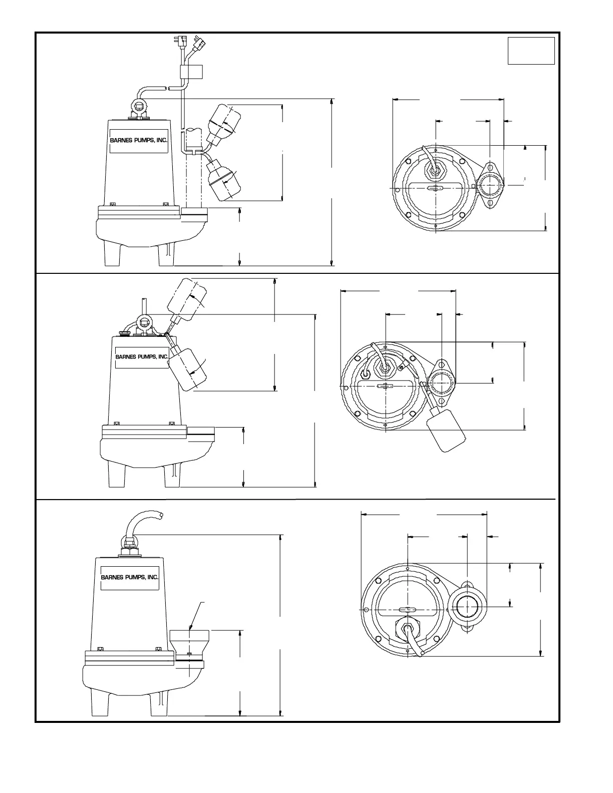
Barnes SE Series - Pump Dimensions

Default Icon
32 pages
Print Icon
To Next Page IconTo Next Page
To Next Page IconTo Next Page
To Previous Page IconTo Previous Page
To Previous Page IconTo Previous Page
Loading...
inches
(mm)
19.00
(483)
6.70
(170)
12.62
(321)
6.25
(159)
1.50
(38)
4.88
(124)
9.75
(248)
9.00
(229)
120°
Pumping
Differential
SE51A, SE51HTA,
*SE51, *SE52, *SE51HT
& *SE52HT
*(Less Float)
19.00
(483)
6.70
(170)
12.62
(321)
6.25
(159)
1.50
(38)
4.88
(124)
9.75
(248)
120°
Pumping
Differential
9.00
(229)
SE51AU, SE52AU,
SE51HTAU &
SE52HTAU.
9.00
(229)
19.00
(483)
13.25
(337)
2.06
(52)
6.25
(159)
4.88
(124)
9.75
(248)
3" (76) NPT
DISCH.
3SE Pumps
5

Related product manuals