EasyManua.ls Logo

Batca omega 4 - 3;8 Flat Washer

Batca omega 4
46 pages
Print Icon
To Next Page IconTo Next Page
To Next Page IconTo Next Page
To Previous Page IconTo Previous Page
To Previous Page IconTo Previous Page
Loading...
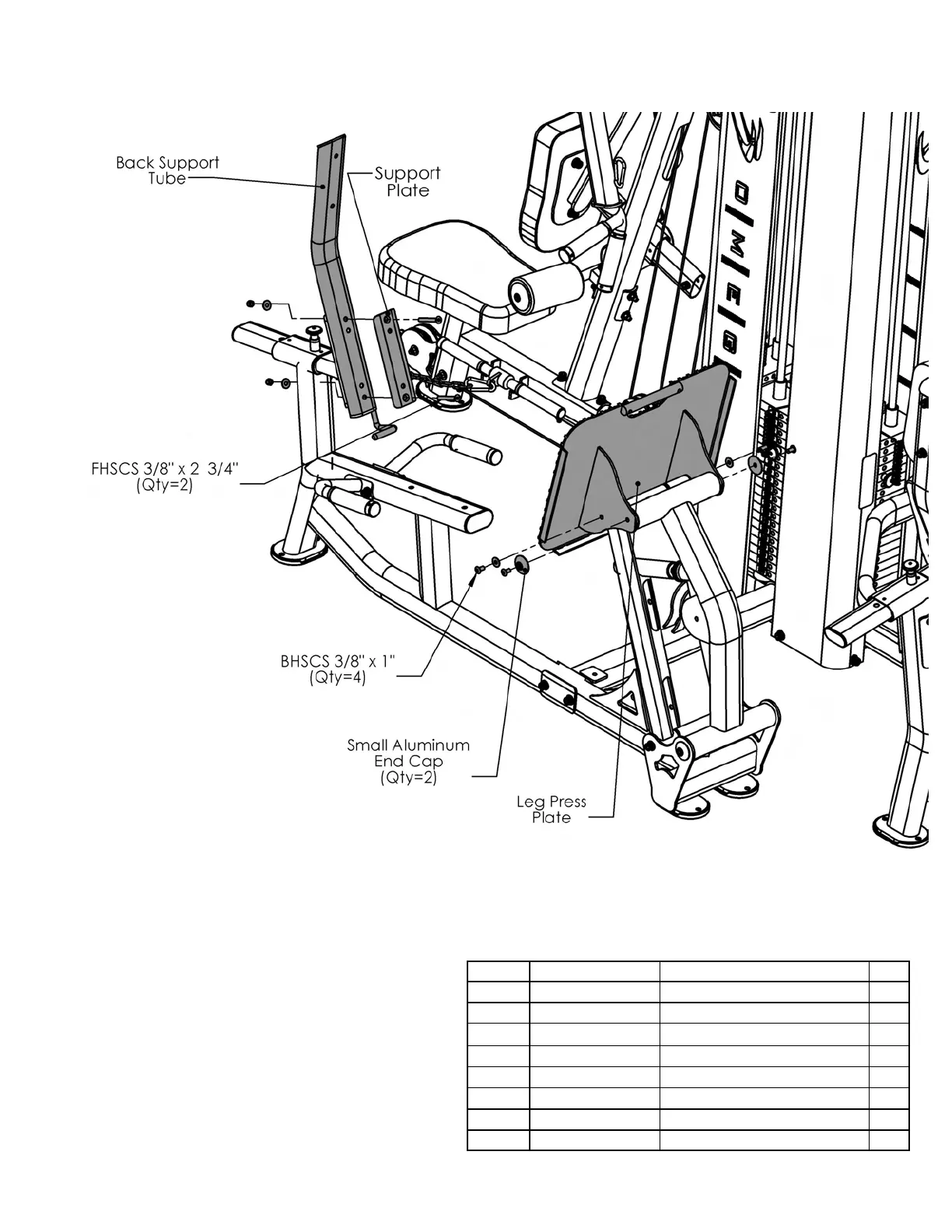
www.batcafitness.com 37 Omega 4 Owners Manual
All Flat Washers and Nylocks are 3/8”
unless otherwise noted.
Step 27:
Figure 27
Item # Part # Description Qty
141 BFP-10853 Leg Press Plate 1
142 BFP-10857 Back Support Tube 1
143 BFP-52149 Support Plate 1
150 BFP-51696 Small Aluminum End Cap 2
153 BFH-50620 BHSCS 3/8” x 1” 4
157 BFP-52374 FHSCS 3/8” x 2 3/4” 2
165 BFH-50146 3/8” Flat Washer 4
166 BFH-50157 3/8” Nylock 2