EasyManua.ls Logo

Baumuller BM5000 Series - Page 188

Baumuller BM5000 Series
330 pages
Print Icon
To Next Page IconTo Next Page
To Next Page IconTo Next Page
To Previous Page IconTo Previous Page
To Previous Page IconTo Previous Page
Loading...
Connections on the front side
Instruction handbook b maXX 5000
Document No.: 5.09021.16 Baumüller Nürnberg GmbH
188
of 328
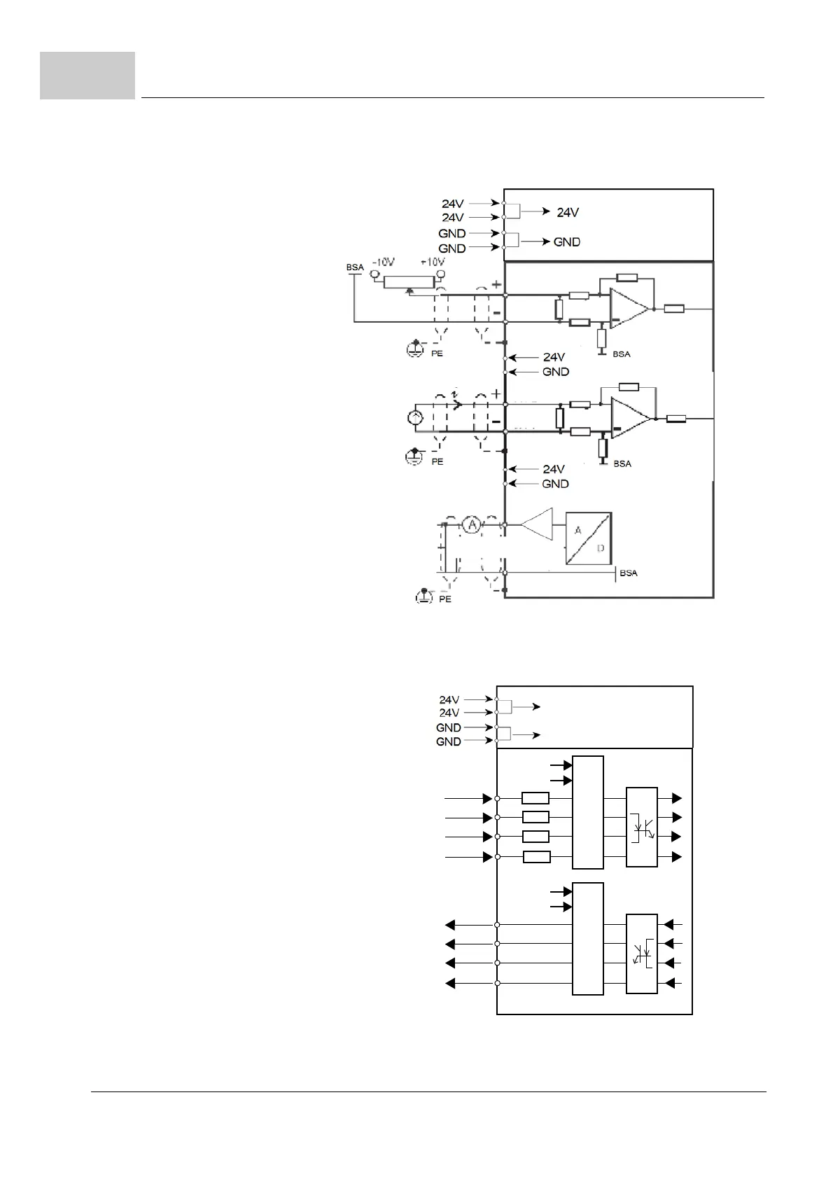
7.15
Connection
m An
alog input/output
Power supply
analog and
digital
Analog
input
-10V to +10V
Analog
input
(0) ... 4 to 20 mA
Analog
output
-10 V to +10 V
reference potential BSA
Figure 87: Connection of analog inputs/outputs SVP
m Digital inputs/outputs
Power supply
analog and
digital
24V int
GND int
24V int
GND int
24V
24V
24V
24V
24V int
GND int
24V
24V
24V
24V
Figure 88: Connection of digital inputs/outputs SVP

Table of Contents