EasyManua.ls Logo

Baumuller BM5000 Series - STO Safety Function Description

Baumuller BM5000 Series
330 pages
Print Icon
To Next Page IconTo Next Page
To Next Page IconTo Next Page
To Previous Page IconTo Previous Page
To Previous Page IconTo Previous Page
Loading...
Function
Instruction handbook b maXX 5000
Document No.: 5.09021.16 Baumüller Nürnberg GmbH
302
of 328
C.2
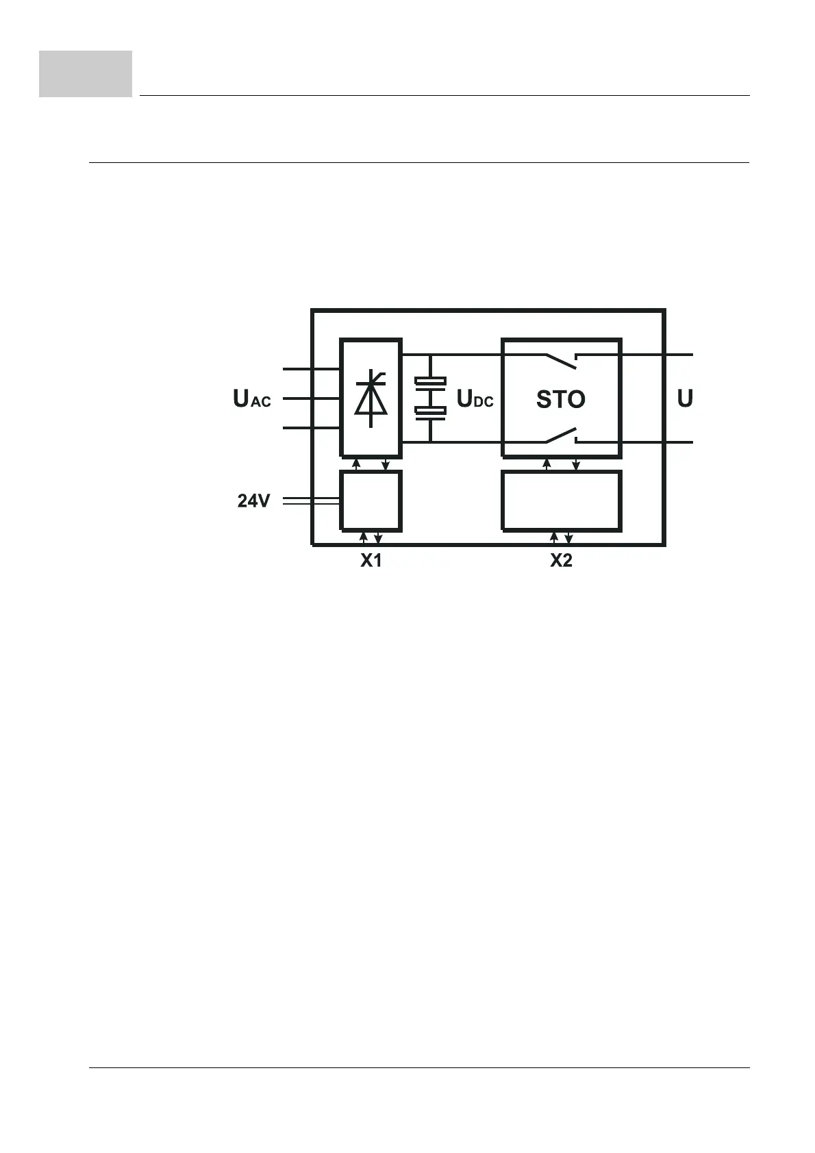
C.2 Function
The mains rectifier BM5030 with safety function converts the AC voltage of the power
supply (U
AC
) to the DC link voltage for the decentralized drive solutions BM2500 (U
DC
/
U
DC link
). The STO function is integrated in this device, disconnecting the DC link voltage
(U
DC
) of the mains rectifier to the axes units (U
DC link
). This is a two channel disconnec-
tion, i. e. a switch disconnects DC link + and another DC link - (see figure below).
The STO function is available via connector X2.
Electronics
Electronics
DC link
DC link +
DC link -
Figure 126: BM5030 with safety function
This STO function is available:
Type of automatic locking function (BM5030-XX2X)
In case of a fault of one switch, the device is locked automatically and remains in STO
state.

Table of Contents

Related product manuals