EasyManua.ls Logo

Baumuller BM5000 Series - Connection Diagram for BM5030 Safety Function

Baumuller BM5000 Series
330 pages
Print Icon
To Next Page IconTo Next Page
To Next Page IconTo Next Page
To Previous Page IconTo Previous Page
To Previous Page IconTo Previous Page
Loading...
Connection diagram BM5030 with safety function
Instruction handbook b maXX 5000
Document No.: 5.09021.16 Baumüller Nürnberg GmbH
308
of 328
C.5
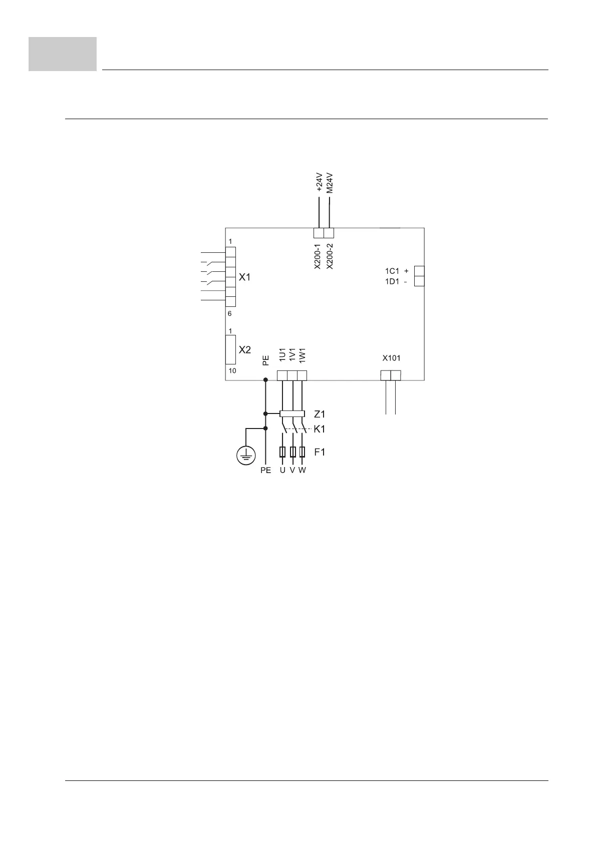
C.5 Connection diagram BM5030 with safety function
BM5030-XX20 A normally open contact is expected on the inhibit input.
DC link connection
to further devices
Connection for
STO function
Power supply
M24V
Inhibit input +24V
nc
Reset +24V
Error
Ready-to-operate
Connection for additional
DC link capacitance connected
upstream STO,
NOTICE:
Pay attention to the max.
connectable DC link
capacitance connected
downstream STO,
see Technical Data.
e.g. BM5-CAP
Figure 128: Connection diagram BM5030-XX20-...

Table of Contents

Related product manuals