EasyManua.ls Logo

Baumuller BM5000 Series - Page 309

Baumuller BM5000 Series
330 pages
Print Icon
To Next Page IconTo Next Page
To Next Page IconTo Next Page
To Previous Page IconTo Previous Page
To Previous Page IconTo Previous Page
Loading...
BM5030 with Safety Function
Instruction handbook b maXX 5000
Document No.: 5.09021.16
309
of 328
B
BM50XX-XX21 A normally closed contact is expected on the inhibit input.
Power supply
M24V
Inhibit input +24V
nc
Reset +24V
Error
Ready-to-operate
DC link connection
to further devices
Connection for
STO function
NOTICE:
Pay attention to the max.
connectable DC link
capacitance connected
downstream STO,
see Technical Data.
Connection for additional
DC link capacitance connected
upstream STO,
e.g. BM5-CAP
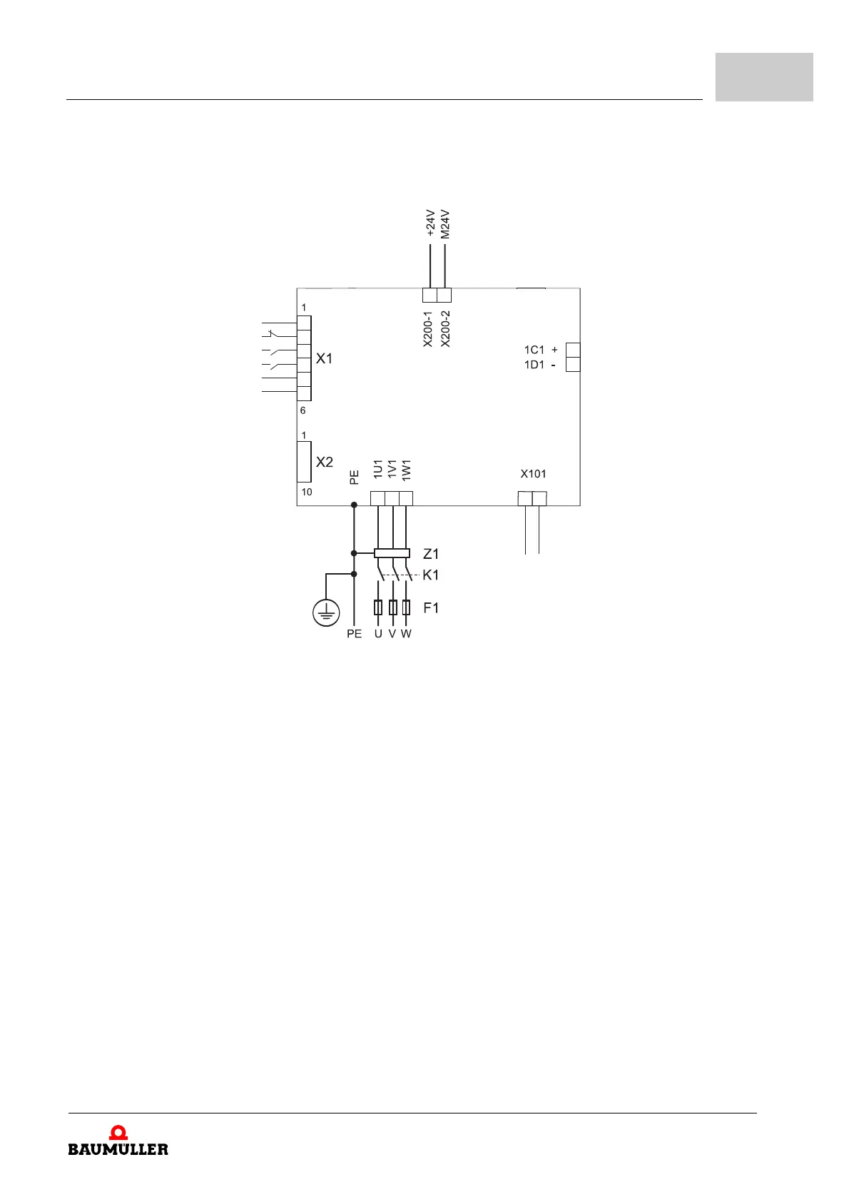
Figure 129: Connection diagram BM5030-XX21-...
1C1, 1D1 Connections for the DC link
PE Power supply PE-connection
1U1, 1V1, 1W1 Power supply connection
F1 Fuses (cable + device)
Z1 Line filter
K1 Main contactor (option)
X200 Connections for 24 V voltage supply
X1 Control inputs and outputs
X2 Connections of STO function
X101 Connection for additional DC link capacitance, e. g. BM5-CAP

Table of Contents