EasyManua.ls Logo

Baxi TXW1AC - Page 15

Baxi TXW1AC
Print Icon
To Next Page IconTo Next Page
To Next Page IconTo Next Page
To Previous Page IconTo Previous Page
To Previous Page IconTo Previous Page
Loading...
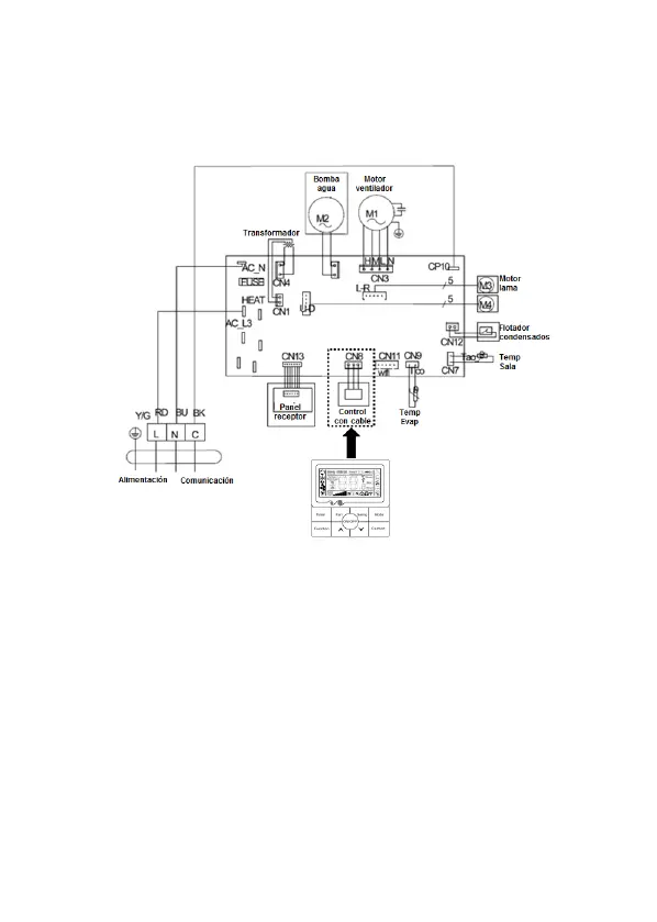
UNIDADES INTERIORES MULTILS(G)N(C/K/D)(25/35/50)-XM
1.
En el caso de unidades conducto, el equipo vendrá suministrado con
control con cable.
2.
El conector blanco del control se deberá conectar al conector “CN8” de la
placa de control de la unidad interior conducto tal y como se indica en la
figura:

Related product manuals