EasyManua.ls Logo

Baxi TXW1AC - Page 31

Baxi TXW1AC
Print Icon
To Next Page IconTo Next Page
To Next Page IconTo Next Page
To Previous Page IconTo Previous Page
To Previous Page IconTo Previous Page
Loading...
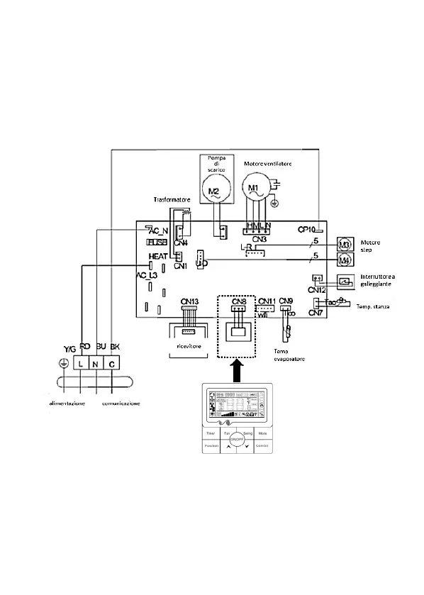
R32 UNITA’ INTERNE MULTI CASSETTE LSGNK (25/35/50)-XM
1. In caso di unità canalizzato, il controllo a filo a parete è fornito di serie.
2. Connettere il connettore bianco del controllo a filo a parete al terminale “CN8”
della PCB come mostrato nello schema in figura:

Related product manuals