EasyManua.ls Logo

Baxi TXW1AC - Page 61

Baxi TXW1AC
Print Icon
To Next Page IconTo Next Page
To Next Page IconTo Next Page
To Previous Page IconTo Previous Page
To Previous Page IconTo Previous Page
Loading...
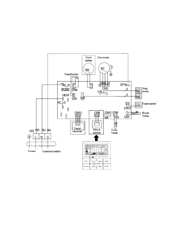
R32 INNENEINHEITEN MULTI KASSETTE LSGNK(25/35/50)-XM
1. Im Falle von Kanaleinheiten wird standardmäßig eine verkabelte Steuerung mitgeliefert.
2. Den weißen Steuerstecker mit dem "CN8"-Anschluss der Platte der Inneneinheit verbinden,
wie im folgenden Schema angezeigt:

Related product manuals