EasyManua.ls Logo

Baxi TXW1AC - Page 75

Baxi TXW1AC
Print Icon
To Next Page IconTo Next Page
To Next Page IconTo Next Page
To Previous Page IconTo Previous Page
To Previous Page IconTo Previous Page
Loading...
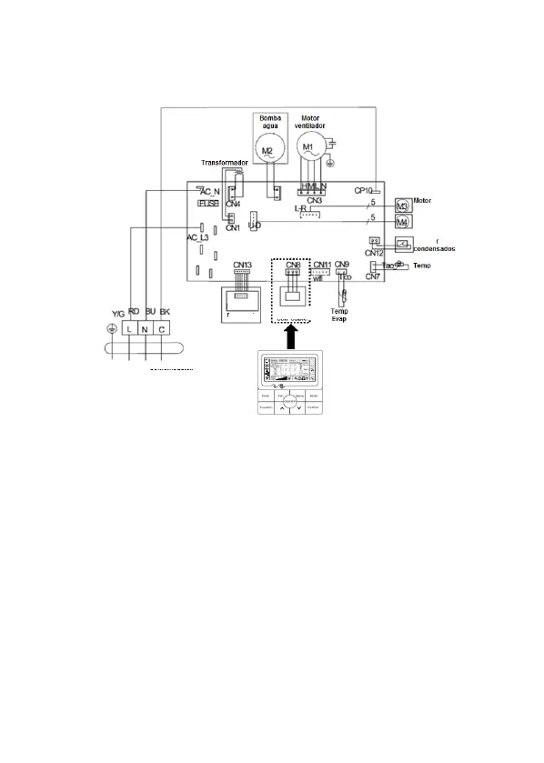
UNIDADES INTERIORES MULTILS(G)N(C/K/D)(25/35/50)-XM
1.
No caso das unidades de conduta, o aparelho será fornecido com controlo por
cabo.
2.
O conector branco do controlo deverá ser ligado ao conector “CN8da placa de
controlo da unidade interior de conduta tal e como se indica na figura
lâmina
Alimentação
Comunicação
Bóia
Ambiente
Controlo
por cabo
Painel
recetor
CALOR
Y/G Amarelo/verde
RD Vermelho
BU Azul
BK Negro
L Fase
N Neutro
C Comunicação

Related product manuals