EasyManua.ls Logo

Belarus 952.4 - Page 53

Default Icon
58 pages
Print Icon
To Next Page IconTo Next Page
To Next Page IconTo Next Page
To Previous Page IconTo Previous Page
To Previous Page IconTo Previous Page
Loading...
BELARUS-920.4/952.4 Operating manual
53
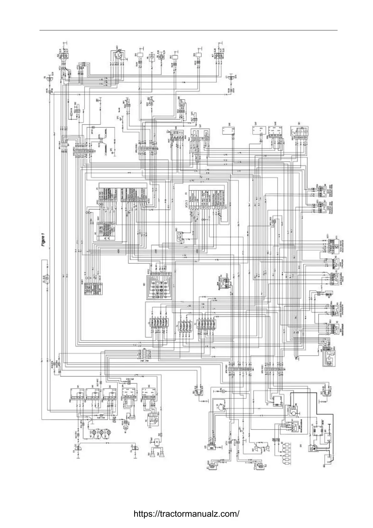
Fi
g
ure А.1 – Electric circuit dia
g
ram
https://tractormanualz.com/

Table of Contents

Related product manuals