EasyManua.ls Logo

Belarus 952.4 - Page 55

Default Icon
58 pages
Print Icon
To Next Page IconTo Next Page
To Next Page IconTo Next Page
To Previous Page IconTo Previous Page
To Previous Page IconTo Previous Page
Loading...
BELARUS-920.4/952.4 Operating manual
55
To Figure А.1:
Wire colors: Г – blue, ГЧ – blue/black, Ж – yellow, ЖЗ – yellow/green, З – green, К – red,
КЖ – red/yellow, Кч – brown, О - orange, Р – pink, С – grey, СЗ – grey/green, Ф – violet, Ч
black, ЧО – black/orange.
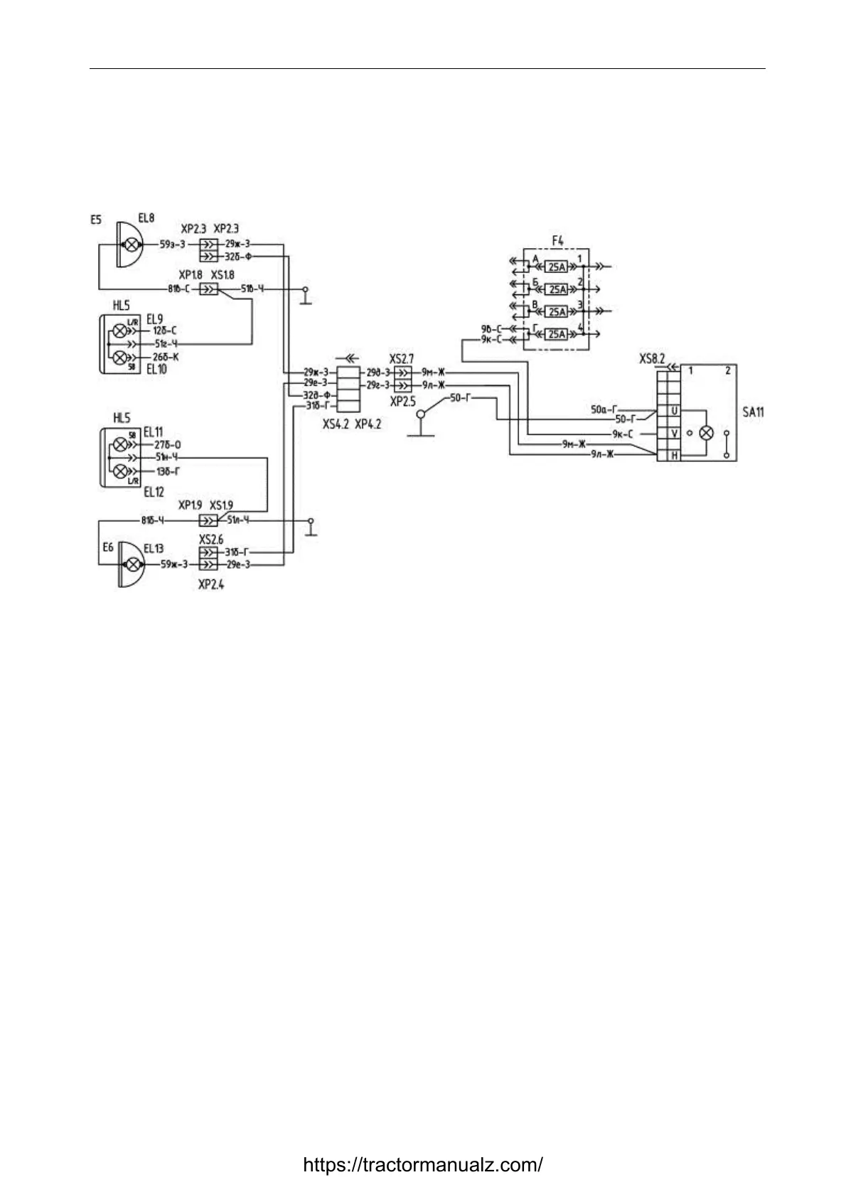
Figure A.2 presents the electric circuit diagram of connections of additional front head-
lights installed on brackets of front lights.
Figure A.2 – Electric circuit diagram of connections of additional front headlights
To Figure А.2:
Е5, E6 – headlight;
EL8, EL13 – AKG12-55-1 lamp;
SA11 – headlight switch;
Note – Table A.1 lists names of other items of the diagram on Figure A.2.
https://tractormanualz.com/

Table of Contents

Related product manuals