EasyManua.ls Logo

Belarus 952.4 - Page 57

Default Icon
58 pages
Print Icon
To Next Page IconTo Next Page
To Next Page IconTo Next Page
To Previous Page IconTo Previous Page
To Previous Page IconTo Previous Page
Loading...
BELARUS-920.4/952.4 Operating manual
57
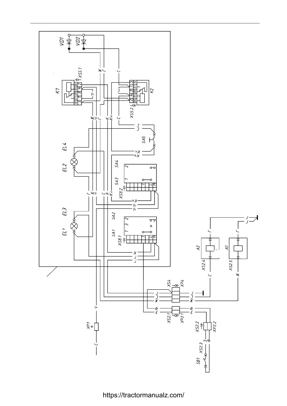
Fi
g
u
r
e B.1 – Electric circuit dia
g
ram of rear axle DL and PTO control s
y
stem
Wire colors: Г – blue, ГЧ – blue/black, Ж – yellow, ЖЗ – yel-
low/green, З – green, К – red, КЖ – red/yellow, Кч – brown, О - orange, Р
pink, С – grey, СЗ – grey/green, Ф – violet, Ч – black, ЧО – black/orange.
DL and PTO control
p
anel
o
r
o
r
o
r
o
r
DL relay
PTO relay
PTO
DL
From dashboard
(+12V after engine start)
https://tractormanualz.com/

Table of Contents

Related product manuals