EasyManua.ls Logo

Bennett T-75 - Side Inlet Option

Bennett T-75
26 pages
Print Icon
To Next Page IconTo Next Page
To Next Page IconTo Next Page
To Previous Page IconTo Previous Page
To Previous Page IconTo Previous Page
Loading...
Bennett T75 Operation, Service, & Parts Manual Product Introduction
12
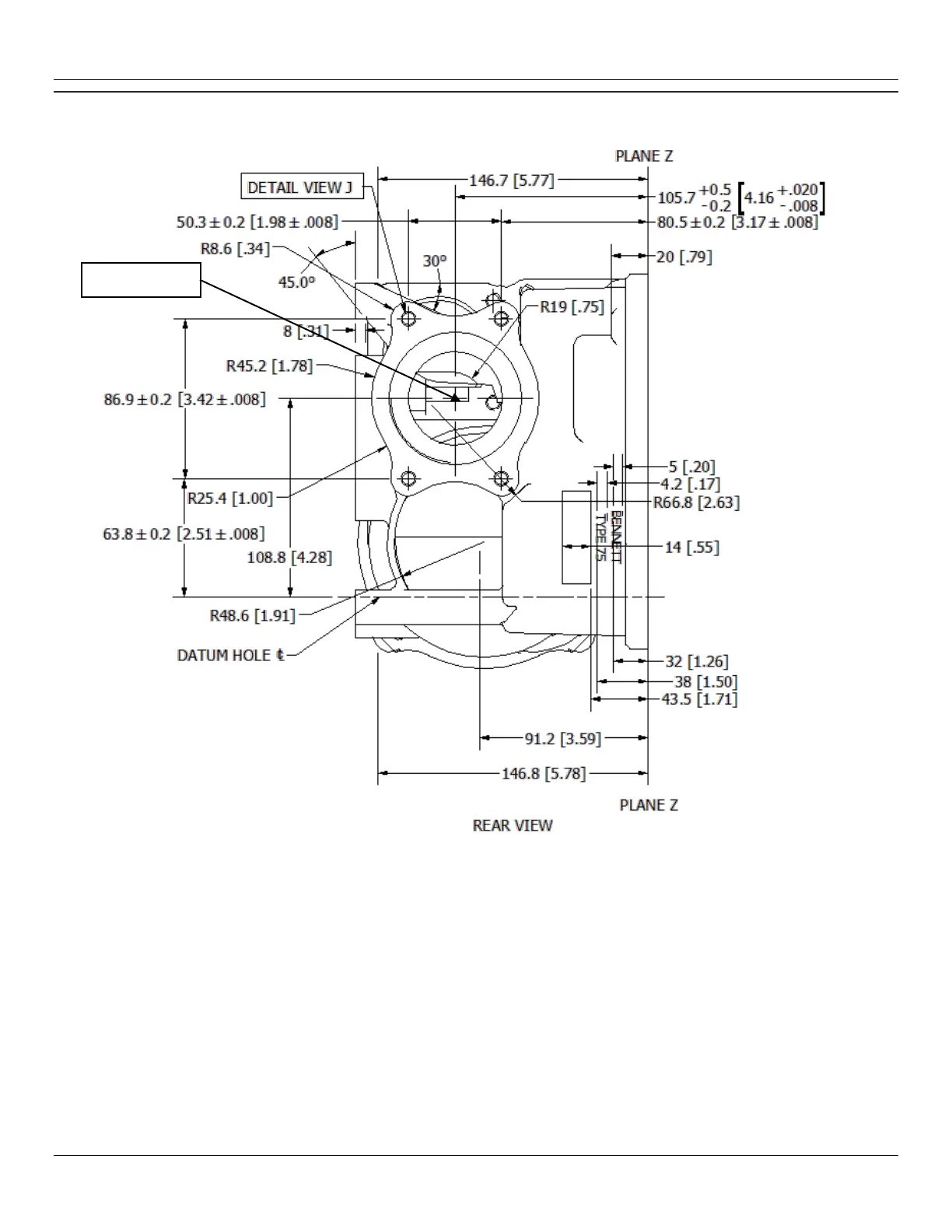
SIDE I NLET OPTION
FIGURE 8
INLET CENTER