EasyManua.ls Logo

Bernard Controls AQ100 - Page 33

Default Icon
36 pages
Print Icon
To Next Page IconTo Next Page
To Next Page IconTo Next Page
To Previous Page IconTo Previous Page
To Previous Page IconTo Previous Page
Loading...
English
33
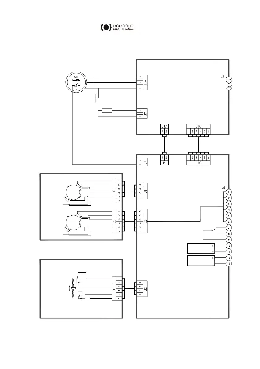
11.2.2 Single phase supply diagram
M1
H
A
C
D
S1
S2
S3
S4
S1
S2
RD
PT
AI
B