EasyManua.ls Logo

Bernard Controls AQ30 - Wiring Diagrams with Positioner Option

Default Icon
36 pages
Print Icon
To Next Page IconTo Next Page
To Next Page IconTo Next Page
To Previous Page IconTo Previous Page
To Previous Page IconTo Previous Page
Loading...
English
31
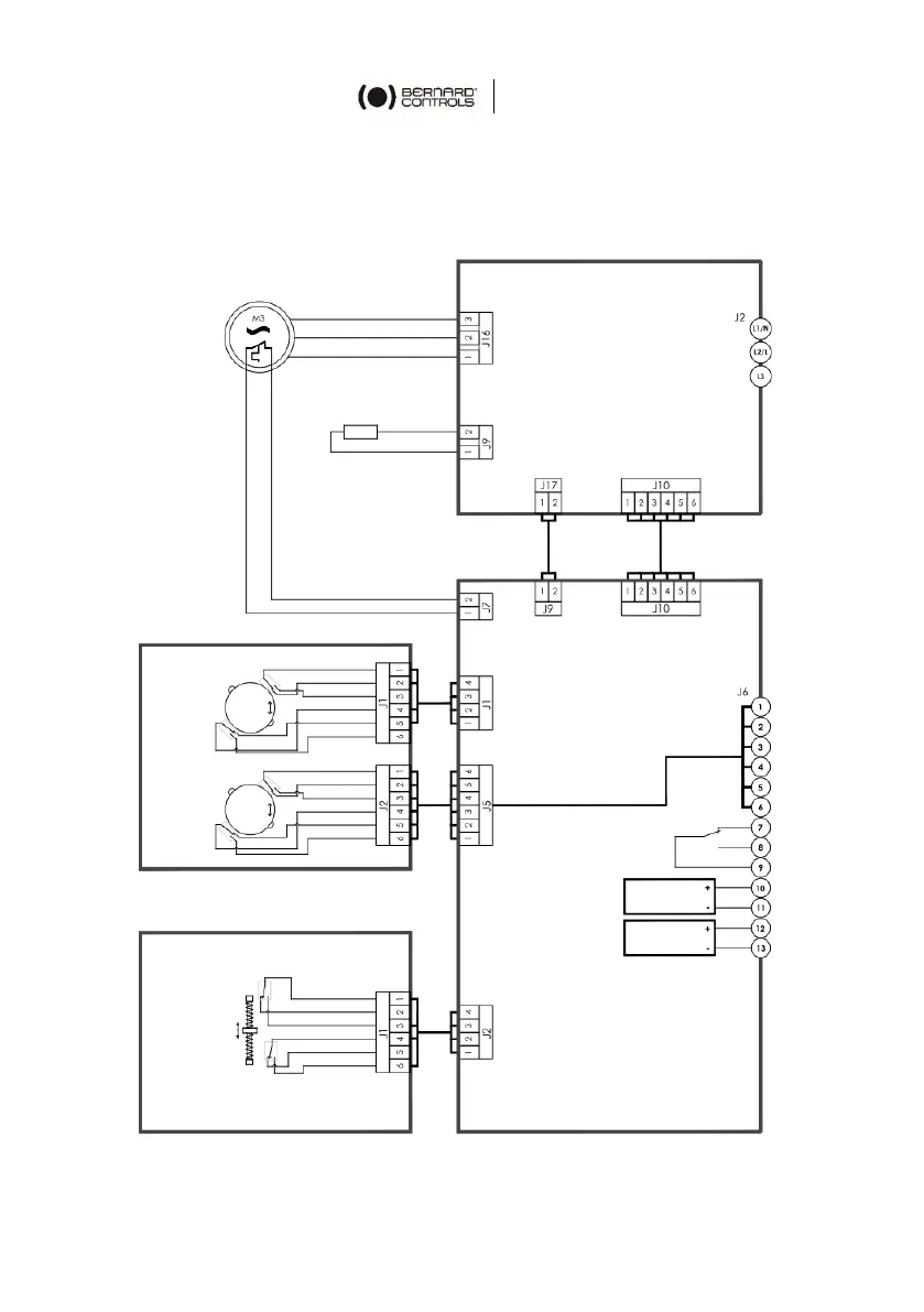
11.2 Wiring diagrams with positioner option
11.2.1 Three phases supply diagram
A
B
C
D
H
RD
PT
AI
M3
S1
S2
S3
S4
S1
S2

Related product manuals