EasyManua.ls Logo

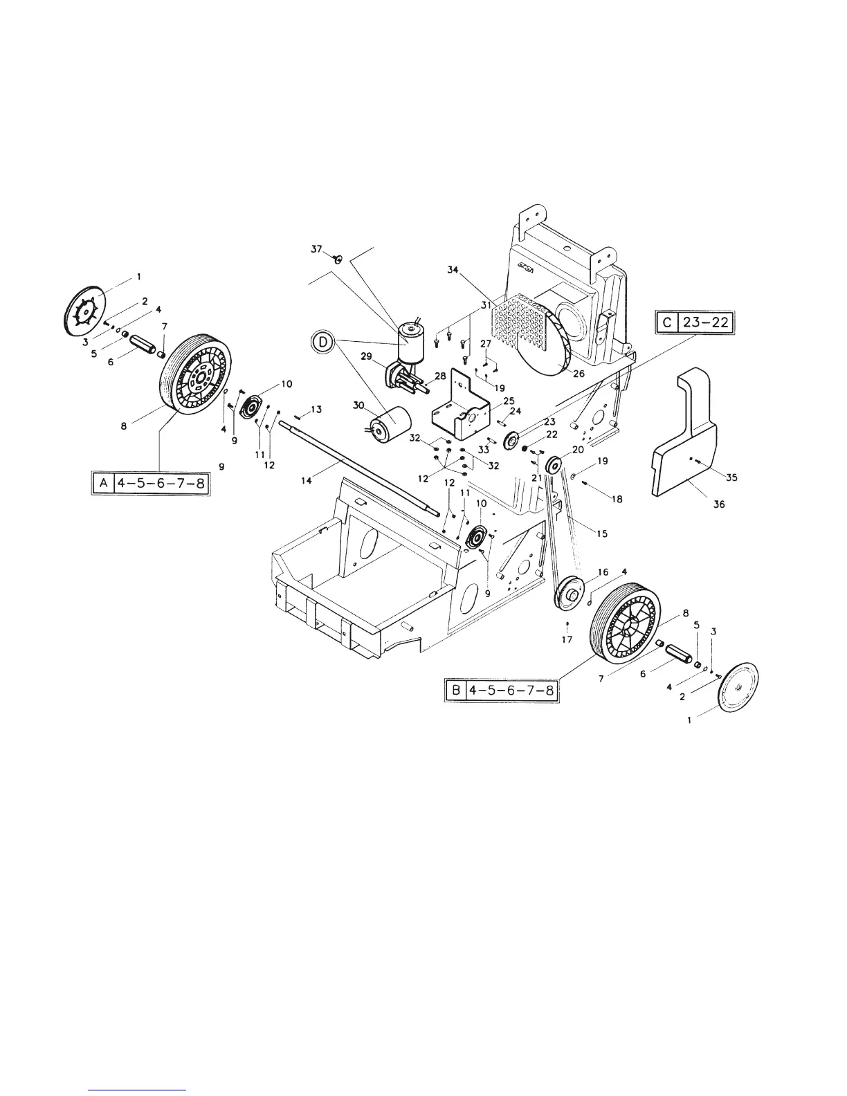
BETCO BPS28 - DIAGRAM - WHEEL AND DRIVE ASSEMBLY; EXPLODED VIEW OF WHEEL AND DRIVE PARTS

BETCO BPS28
24 pages
Print Icon
To Next Page IconTo Next Page
To Next Page IconTo Next Page
To Previous Page IconTo Previous Page
To Previous Page IconTo Previous Page
Loading...
20
DIAGRAM

Other manuals for BETCO BPS28