EasyManua.ls Logo

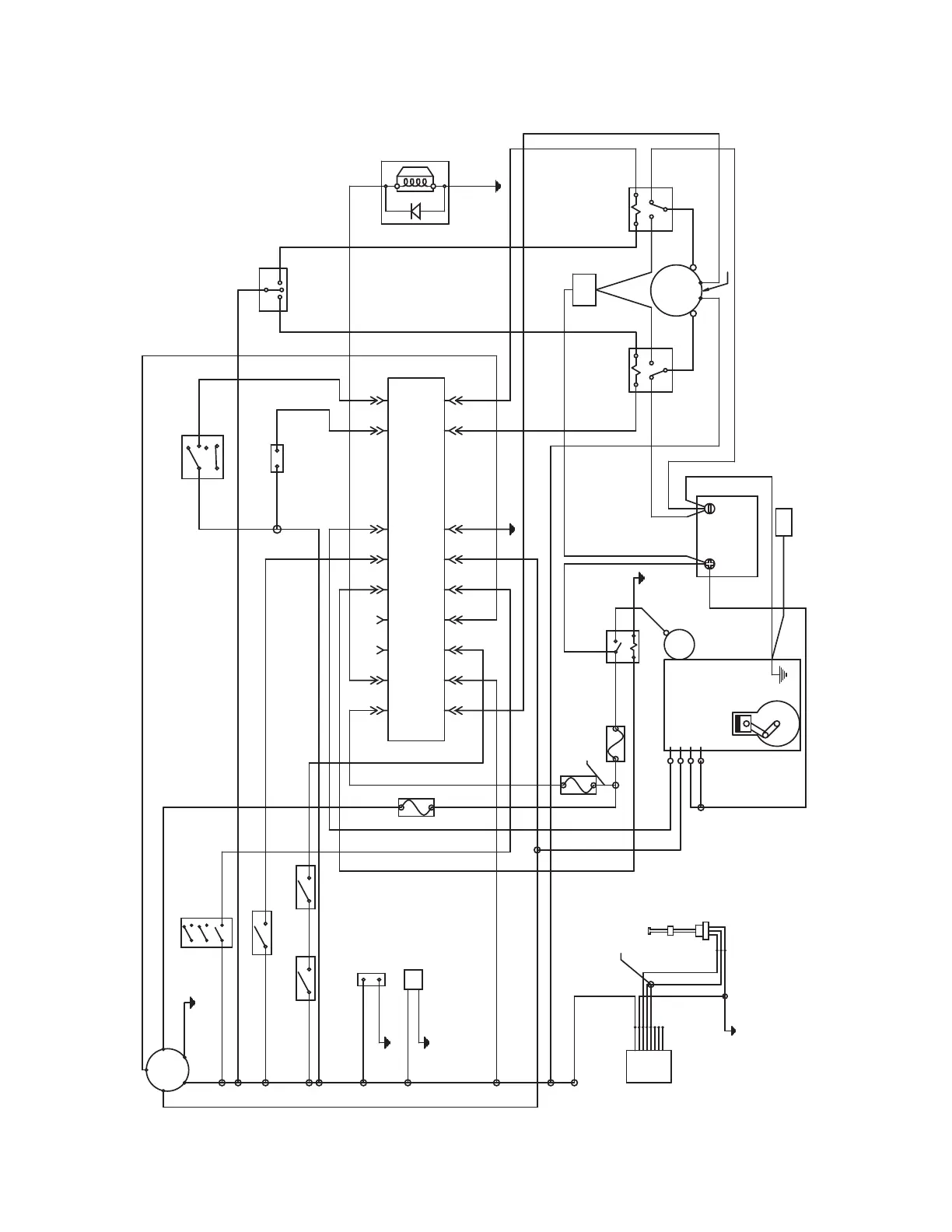
BigDog MOWER CO - Electrical Systems; Main Electrical Harness Schematic - Kohler

BigDog MOWER CO
45 pages
Print Icon
To Next Page IconTo Next Page
To Next Page IconTo Next Page
To Previous Page IconTo Previous Page
To Previous Page IconTo Previous Page
Loading...
121536 7-1 REV A
ELECTRICAL
Main Electrical Harness Schematic — Kohler
(12)
(12)
GRA/RED
(18)
(18)
(18)
PIN SWITCH
CONNECTOR
LATCH
SWITCH
NC
NO
87a
87
87
87a
30
30
J2-C
J2-B
J2-A
J2-D
J1-N
J1-L
J1-M
J1-P
J1-J
J1-K
J1-H
J1-G J1-C
J1-A
J1-F
J1-E
J1-D
J1-B
SI CONTROLLER
RED (14)
BLK (16)
IGNITION
SWITCH
R
S
G
K
B
AUX
SEAT SWITCH
NEUTRAL
SWITCH
NEUTRAL
SWITCH
BLU (16)
ORG (18)
ORG (18)
RED/BLK (18)
TAN (18)
TAN/RED
TAN/RED (18)
RED (14)
BLK (18)
BLK (16)
ORG (14)
BRN (18)
10A
CLUTCH SWITCH
ORG/RED (18)
ORG (18)
ORG (18)
ORG (18)
30A
PUR (12)
BLK (16)
-
-
-
BLK (18)
ACTUATOR
CONTROL
1
2
15A
RED (14)
ORG (18)
ORG (18)
WHT/RED (20)
PIN 1
PIN 2
PIN 3
PIN 4
PIN 5
PIN 6
BLK (20)
PIN 7
PIN 8
PIN 1
PIN 2
PIN 3
BLK (20)
GRN/WHT (20)
GRN/WHT (20)
ORG (18)
12
ORG (18)
BLK (18)
LIGHT
CONNECTOR
1
2
AB
LIMIT SWITCH
-
PUR (18)
RED (12)
RED (12)
RED (12)
RED/BLK (18)
RED (14)
RED (8)
ORG (12)
BRN (18)
ORG/BLU (18)
RED/BLU
RED/WHT
ORG/WHT (18)
ORG/RED (16)
ORG/GRN (18)
GRA/ORG
TAN/WHT (18)
BLK (18)
BLK (12)
BLK (12)
BLK (18)
BLK (8)
BLK (12)
GROUND
SPLICE
BREAKER
EXTEND
RELAY
RETRACT
RELAY
ACTUATOR
SWITCH
ACTUATOR
12VDC
BATTERY
ENGINE
CLUTCH
FUEL SOL.
ENG. KILL
CHARGE
CHARGE 2
RED (8)
STARTER
SOLENOID
ORG (20)
FUEL GAUGE/
HOUR METER
FUEL
SENSOR
86 85
85
86

Related product manuals