EasyManua.ls Logo

Biobase BSC-4FA2-GL - Common Faults & Solution; 3.1 Common faults & solution; 3.1.2 Trouble shooting

Biobase BSC-4FA2-GL
33 pages
Print Icon
To Next Page IconTo Next Page
To Next Page IconTo Next Page
To Previous Page IconTo Previous Page
To Previous Page IconTo Previous Page
Loading...
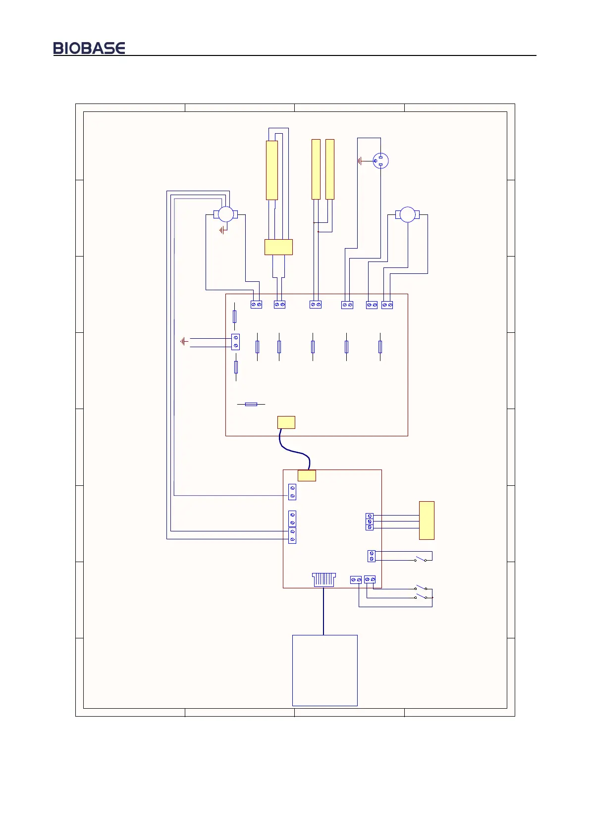
2.7 Wiring diagram
1 2 3 4 5 6 7 8
A
B
C
D
87654321
D
C
B
A
LIGHTSOCKE T
L
N
L
N
L
N
UP/NC
DOWN/ NO
/COM
N
CN1
F3
N -F US E
6 . 3 A /2 50 V
6 . 3 A /2 50 V
2 . 5 A /2 50 V
1 2 .5 A/ 25 0 V
1 2 .5 A/ 25 0 V
2 . 5 A /2 50 V
1 2 5 mA/ 2 5 0V
6 . 3 A /2 50 V
CN3
CN6
CN4
F2
L-F U SE
F5
D OO R -F US E
F4
LIG HT -F US E
FA N -F US E
F7
SO C KET-F U SE
F1
F8
Tra n sfo rmer-FU SE
F6
U V-F U SE
UV
CN2
CN7
FAN
N
L
SIXTE EN COR E C ABL E
MCU
GND
WINDO W L
DOOR OPEN D ETE CTI ON
UV
WINDO W H
H
L
Ctrl
BLUE( 20AWG)
BLACK 20AW G)
BLACK 18AW G)
WHITE 20AW G)
WHITE 18AW G)
LCD
EIGHT CORE CAB LE
ANJIA N
Window
L
N
Green 14AW G)
BLACK 14AW G)
BLACK 18AW G)
WHITE 18AW G)
BLACK 14AW G)
SOCKE T
GREEN 14AW G)
U V LA MP
UV BA LLAST
BLACK 18AW G)
WHITE 20AW G)
BULE( 20AWG)
YELLO W(20AW G)
BROWN 20AW G)
WHITE 18AW G)
DOOR MOTOR
FAN
WHITE 16AW G)
RED( 18AWG)
BLACK 16AW G)
WHITE 18AW G)
GREEN 14AW G)
BLACK 18AW G)
WHITE 14AW G)
WHITE 14AW G) CN5
CN7
CN5
PWM- INPWM- OUT
GN D GND
START-I NSTART-OU T
White(20AWG)
Blue(20AWG)
Yellow(20AWG)
07
05
06
03
08
09
01
02
04
YELLOW
BLACK
10
Speed Sensor
RED
12 V
LZGN D
LED L AMP
LED L AMP
WHITE 18AW G)
BLACK 18AW G)
Picture 15

Related product manuals