EasyManua.ls Logo

Bitzer 2MTE-4K - Raccords Et Croquis Cotés

Bitzer 2MTE-4K
44 pages
Go to English
Print Icon
To Next Page IconTo Next Page
To Next Page IconTo Next Page
To Previous Page IconTo Previous Page
To Previous Page IconTo Previous Page
Loading...
KB-130-634
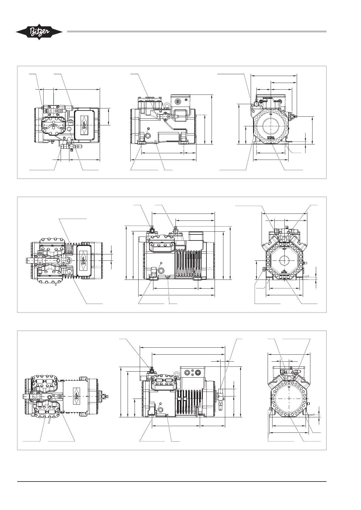
4.3 Raccords et croquis cotés
1/4-18 NPTF
5
Ø12
10
DL
SL
241
198
125
22
M10x1,5
6
1/4-18 NPTF
1 (HP)
Ø21
17
1/4-18 NPTF
3 (LP)
216
278
192
99 146
180
317
293 86
453
343
212
58
115
1/2-14 NPTF
923
M22x1,5
69 320
Fig.1: Croquis coté 2MTE-4K .. 2KTE-7K
504
293 115
1/4-18 NPTF
5
Ø12
10
321
352
318
DL SL
414
260
241
198
1/2-14 NPTF
9
128
298
14969
22
M10x1,5
6
42
1/4-18 NPTF
1 (HP)
Ø21
17
1/4-18 NPTF
3 (LP)
23
355
M22x1,5
Fig.2: Croquis coté 4PTC-6K .. 4KTC-10K
326
192367
161
389
56
351
142
385
560
652
36
19
256
300
22
M10x1,5
Ø21
DL
SL
1/2-14 NPTF
1/4-18 NPTF
9
6
1 (HP)
1/4-18 NPTF
5
Ø12
10
69
1/8-27 NPTF
3 (LP)23
M22x1,5
Fig.3: Croquis coté 4JTC-10K .. 4FTC-20K

Table of Contents

Related product manuals