EasyManua.ls Logo

Bitzer HS 53 - Page 87

Bitzer HS 53
96 pages
Print Icon
To Next Page IconTo Next Page
To Next Page IconTo Next Page
To Previous Page IconTo Previous Page
To Previous Page IconTo Previous Page
Loading...
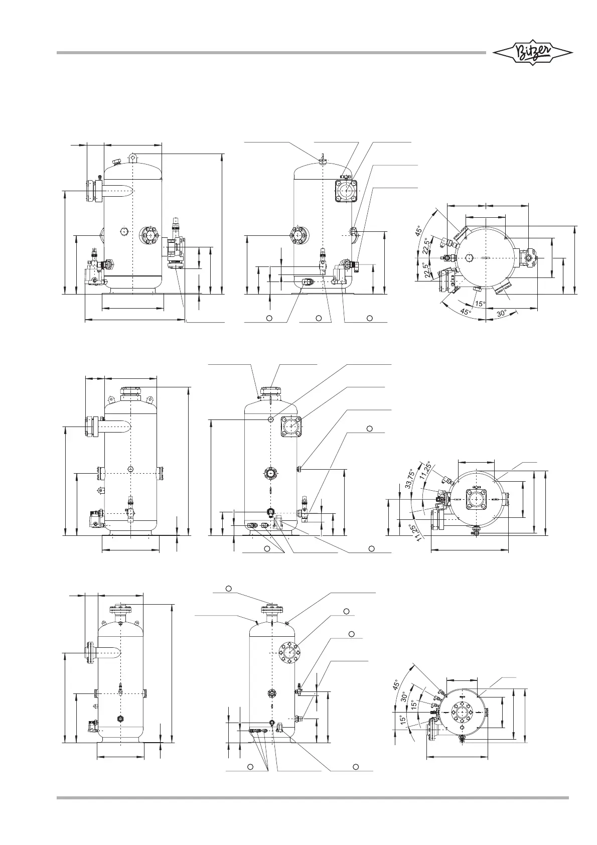
Maßzeichnungen
OA1854
OA4088
OA9011
Dimensional drawings Croquis cotés
87SH-100-3
5 3 2
9 4 Ø 2 9 8
5 2 2
Ø 3 2 0
3 0 2
1 1 0
3
2 4 2
7 2 2
3 0 2
1 4 2
6 4
4 2
1 5 2
3 2 2
3 / 8 ' ' - 1 8 N P T F Ø 2 2 ( 7 / 8 ' ' )
3
3 / 8 ' ' - 1 8 N P T F
1 1 / 4 ' ' - 1 2 U N F
9
7 / 1 6 ' ' - 2 0 U N F
5
1 1 / 4 ' ' - 1 2 U N F
4
Ø 5 4 ( 2 1 / 8 ' ' )
1
Ø 4 2 ( 1 5 / 8 ' ' )
2
1 3 / 4 ' ' - 1 2 U N F
8
2 6 9
2 0 5
1 8 6
3 5 2
2 0 5
1 9 8
2 2 1
1 2 1
1
6
2
7
2
7 6 8
4 3 8
Ø 4 0 0
1 4 3
Ø 3 6 8
4
1 0 5 0
8 1 8
7 4
4 6 8
1 5 8
6 3
3 / 8 ' ' - 1 8 N P T F 3 / 8 ' ' - 1 8 N P T F1 3 / 4 ' ' - 1 2 U N F
1 1 / 4 ' ' - 1 2 U N F
9
7 / 1 6 ' ' - 2 0 U N F
5
Ø 7 6 ( 3 1 / 8 ' ' )
2
Ø 7 6 ( 3 1 / 8 ' ' )
1
1 1 / 4 ' ' - 1 2 U N F
4
8
Ø 3 5 ( 1 3 / 8 ' ' )
5 4 7
2 5 5
Ø 1 3
2 5 5
4 3 7
4 5 6
2 5 6
1 4 3
1 6 8
6
2
7
2
3
2
2 6 1
2 2 1
1 3 3
Ø 5 0 0
1 5 1
5
1 5 3 0
Ø 5 2 0
9 9 1
5 4 1
5 6 1
4 2
3 / 8 ' ' - 1 8 N P T F 1 3 / 4 ' ' - 1 2 U N F
8
3 / 8 ' ' - 1 8 N P T F
7 / 1 6 ' ' - 2 0 U N F
5
D N 1 0 0 1 1 / 4 ' ' - 1 2 U N F
9
D N 1 0 0
Ø 2 2 ( 7 / 8 ' ' )
Ø 4 2 ( 1 5 / 8 ' ' )
3
3 4 0
6 8 6
3 4 0
5 5 9
6 0 7
1 9 3
Ø 1 4
6
2
7
2
4
1
2
3
1
3

Other manuals for Bitzer HS 53

Related product manuals