90 SH-110-2
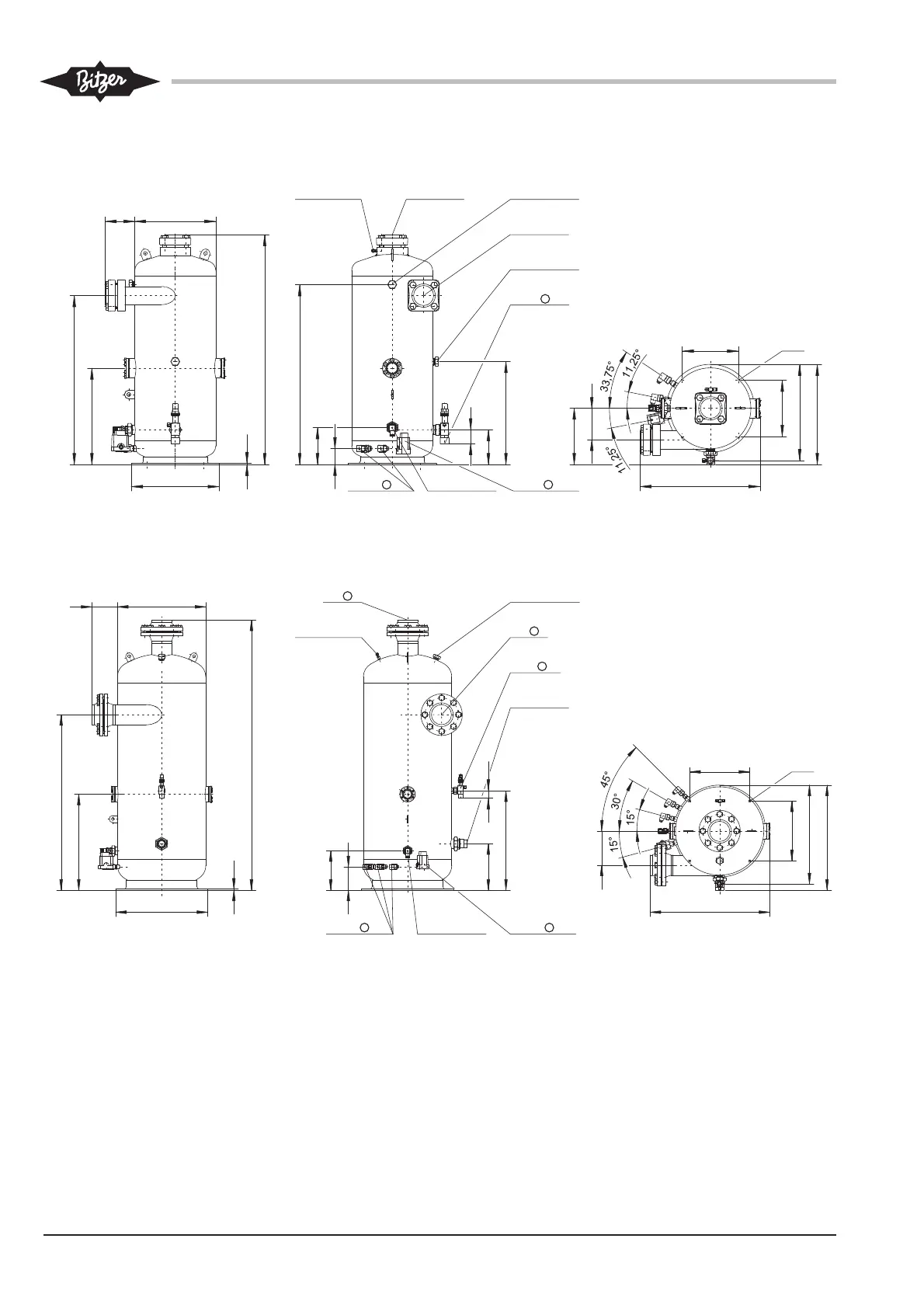
Maßzeichnungen
OA4088
OA9011
Anschluss-Positionen
1 Kältemittel-Eintritt
2 Kältemittel-Austritt
3 Öl-Austritt
4 Öleinfüll-Anschluss
5 Service-Anschluss
6 Öl-Thermostat-Anschluss
7 Anschluss für Ölheizung
8 Anschluss für Ölniveau-Wächter
9 Anschluss für Druckentlastungs-
Ventil
Dimensional drawings
Connection positions
1 Refrigerant inlet
2 Refrigerant outlet
3 Oil outlet
4 Oil fill connection
5 Service connection
6 Oil thermostat connection
7 Oil heater connection
8 Oil level switch connection
9 Connection for pressure relief
valve
Croquis cotés
Position des raccords
1 Entrée de fluide frigorigène
2 Sortie de fluide frigorigène
3 Sortie d'huile
4 Raccord pour le remplissage d'huile
5 Raccord pour service
6 Raccord de thermostat d'huile
7 Raccord de chauffage d'huile
8 Raccord de contrôleur de niveau
d'huile
9 Raccord pour soupape de décharge
7 6 8
4 3 8
Ø 4 0 0
1 4 3
Ø 3 6 8
4
1 0 5 0
8 1 8
7 4
4 6 8
1 5 8
6 3
3 / 8 ' ' - 1 8 N P T F 3 / 8 ' ' - 1 8 N P T F1 3 / 4 ' ' - 1 2 U N F
1 1 / 4 ' ' - 1 2 U N F
9
7 / 1 6 ' ' - 2 0 U N F
5
Ø 7 6 ( 3 1 / 8 ' ' )
2
Ø 7 6 ( 3 1 / 8 ' ' )
1
1 1 /
4 ' ' - 1 2 U N F
4
8
Ø 3 5 ( 1 3 / 8 ' ' )
5 4 7
2 5 5
Ø 1 3
2 5 5
4 3 7
4 5 6
2 5 6
1 4 3
1 6 8
6
2
7
2
3
2
2 6 1
Ø 5 0 0
1 5 1
3 4 0
6 8 6
3 4 0
5 5 9
6 0 7
Ø 1 4
1 5 3 0
Ø 5 2 0
9 9 1
5 4 1
5
1 3 3
2 2 1
7 / 1 6 ' ' - 2 0 U N F
5
D N 1 0 0 1 1 / 4 ' ' - 1 2 U N F
9
D N 1 0 0
Ø 2 2 ( 7 / 8 ' ' )
Ø 4 2 ( 1 5 / 8 ' ' )
3
4
1
1
3
3 / 8 ' ' - 1 8 N P T F 1 3 / 4 ' ' - 1 2 U N F
8
3 / 8 ' ' - 1 8 N P T F
6
2
7
2
5 6 1
4 2
1 9 3
2
3