EasyManua.ls Logo

Blue Box SIGMA 2002 - Page 102

Blue Box SIGMA 2002
124 pages
Print Icon
To Next Page IconTo Next Page
To Next Page IconTo Next Page
To Previous Page IconTo Previous Page
To Previous Page IconTo Previous Page
Loading...
Blue Box - 96
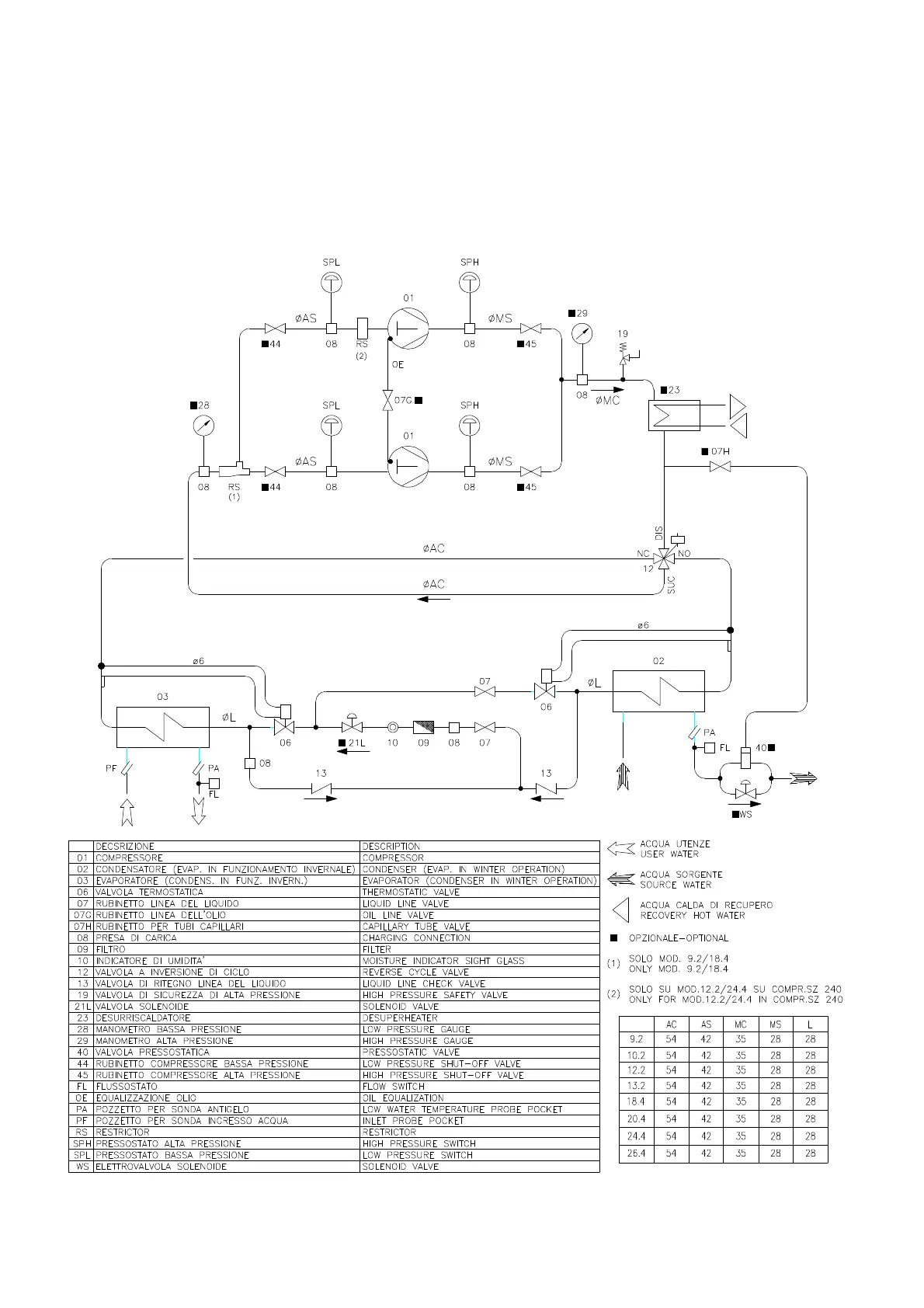
REFRIGERANT CIRCUIT DIAGRAM
SIGMA 2002/HP - MODELS 9.2 - 13.2 - 18.4 - 26.4

Table of Contents

Related product manuals