EasyManua.ls Logo

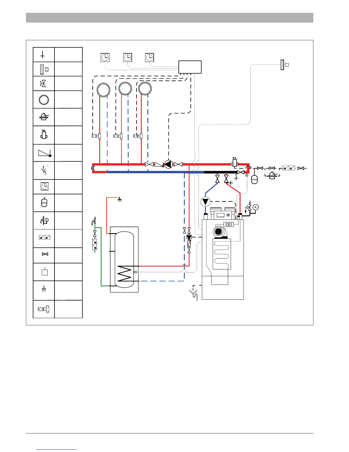
Bosch SSB255 - Multiple Zone with Indirect Tank (Valve for each Zone)

Bosch SSB255
68 pages
Print Icon
To Next Page IconTo Next Page
To Next Page IconTo Next Page
To Previous Page IconTo Previous Page
To Previous Page IconTo Previous Page
Loading...
6720818454 (2016/02) US SSB
48 | Applications
8.2 Multiple zone with indirect tank (valve for each zone)
Fig. 76
Pressure
By-pass
Expansion
Tank
Auto-Fill
Air
Eliminator
Isolation
valve
Condensate
drain
Outdoor air
sensor
Room
Thermostat
Flow Check
Supply
sensor
Heating
zone
Domestic
Hot Water
Zone
Valve
Purge Drain
Relief valve
and
pressure
gauge
Back-flow
preventer
Zone relay
X X
...
(optional)
1
2
3
4
5

Table of Contents

Other manuals for Bosch SSB255

Related product manuals