EasyManua.ls Logo

Bosch SSB255 - Page 51

Bosch SSB255
68 pages
Print Icon
To Next Page IconTo Next Page
To Next Page IconTo Next Page
To Previous Page IconTo Previous Page
To Previous Page IconTo Previous Page
Loading...
SSB 6720818454 (2016/02) US
Applications | 51
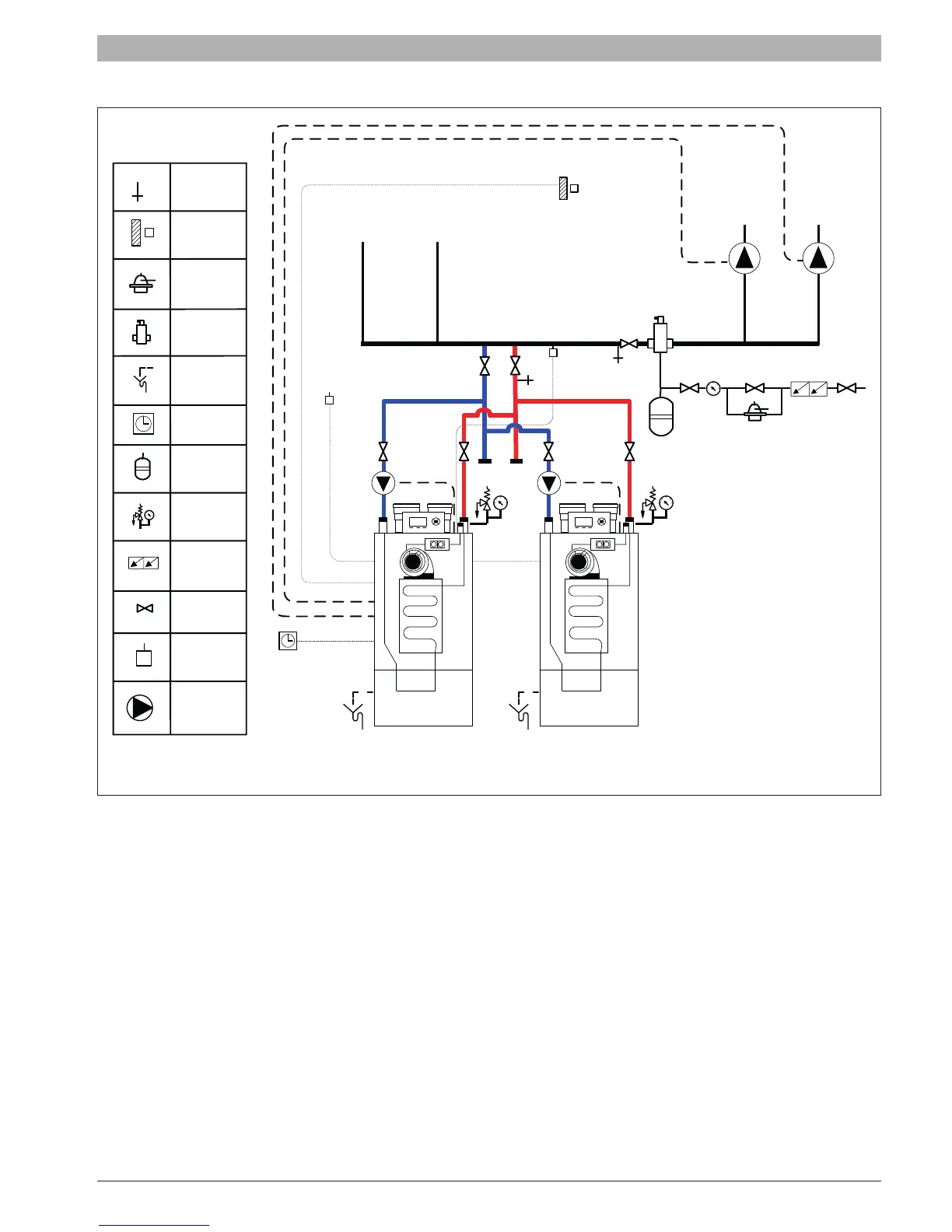
A recommended scheme for cascade installation is as follow:
Fig. 80
Expansion
Tank
Auto-Fill
Air
Eliminator
Shut-off
valve
Condensate
drain
Outdoor air
sensor
Room
Thermostat
Supply
sensor
Circulator
Purge Drain
Relief valve
and
pressure
gauge
Back-flow
preventer
Indirect
Tank
Heating
zone
Heating
Return
Indirect
return
Primary
Bolier
Secondary
Bolier
(optional)
Indirect tank sensor
(tank not shown)
8
2
9
1
76
3
4
5

Table of Contents

Other manuals for Bosch SSB255

Related product manuals