EasyManua.ls Logo

Bottarini GDP21 - Wiring Diagram

Default Icon
62 pages
Print Icon
To Next Page IconTo Next Page
To Next Page IconTo Next Page
To Previous Page IconTo Previous Page
To Previous Page IconTo Previous Page
Loading...
18
4. Construction and functional description
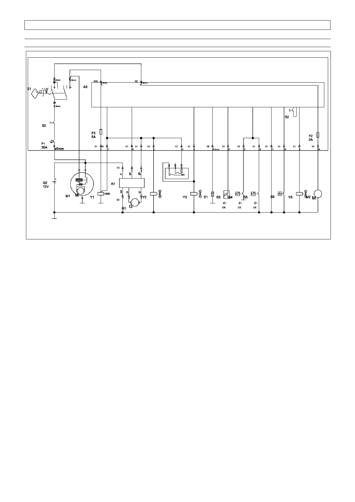
4.4 Wiring diagram
Fig. 9 A13519674
Engine monitoring unit
Generator
Generator
controller
Starter
Lifting magnet
Generator controller Solenoid valve Generator Solenoid
valve
Pre
-
heating
Oil
Motor
Compressor
pressure relief (option) generator idling
autom.
pressure temperature temperature
Fuel
shortage
Solenoid
Fuel pump
valve
load run

Table of Contents

Related product manuals