EasyManua.ls Logo

BÖWE P15 - 7 Connection; Dimensioned Drawing of the Machine Connections

Default Icon
72 pages
Print Icon
To Next Page IconTo Next Page
To Next Page IconTo Next Page
To Previous Page IconTo Previous Page
To Previous Page IconTo Previous Page
Loading...
38
P12-P15-P18
7 Connection
7
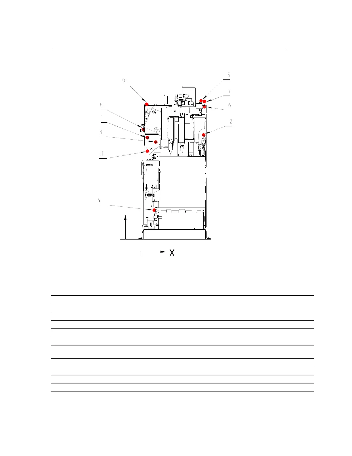
7.1 Dimensioned Drawing of the Machine Connections
7.1
Slimline
707770-19-0
We reserve the right to change dimensions!
Item
Medium
NW
mm
Inch
-X-
mm
-X-
in.
-Y-
mm
-Y-
in.
1
Steam heater battery machine
15
1/2
96
3.7
1495
58.8
2
Steam distillation
15
1/2
931
36.6
1540
60.6
3
Condensate heater battery machine
15
1/2
221
8.7
1430
56.2
4
Condensate distillation
15
1/2
198
7.8
405
15.9
5
Cooling water inlet
20
3/4
893
35.1
2035
80.1
6
Cooling water outlet, distillation
20
3/4
943
37.1
1900
74.8
7
Cooling water outlet, refrigeration
unit
20
3/4
943
37.1
2030
79.9
8
Compressed air
8
1/4
35
1.3
1615
63.5
9
Electric connection (front side top)
-
-
87
3.4
1985
78.1
11
Still rake out system pump out
-
-
98
3.8
1350
53.1
-There must be a measuring potentiometer installed (on the machine) between the machine and
customer wiring system.

Other manuals for BÖWE P15

Related product manuals