EasyManua.ls Logo

Branson 4015h - Page 218

Branson 4015h
454 pages
Print Icon
To Next Page IconTo Next Page
To Next Page IconTo Next Page
To Previous Page IconTo Previous Page
To Previous Page IconTo Previous Page
Loading...
4
-
46
42hW-201601
CHAPTER 4 TRANSMISSION 3015R(h)/3515R(h)/4015R(h)/F36R(h)/F42R(h) TRACTOR
2
5
6
4
3
1
13
14
8
11
10
9
7
12
2
3
4
8
9
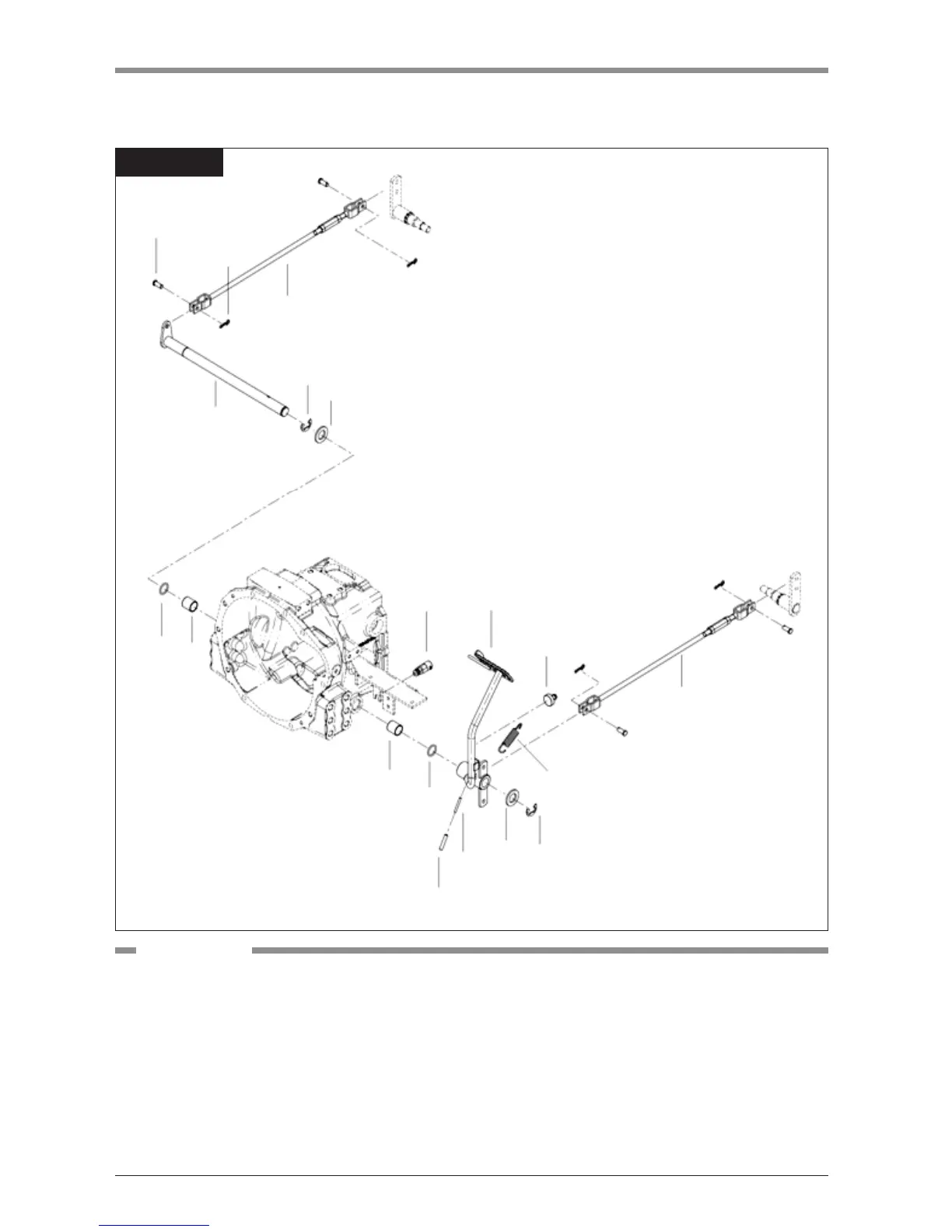
A42W413A
(1)Brakeshaftass'y
(2)Washer
(3)Snapring
(4)Brakerodass'y
(5)Pin
(6)Snappin
(7)Brakepedal
(8)Drybush
(9)O-ring
(10)Springpin
(11)Springpin
(12)Rubberstopper
(13)Stoplampswitch
(14)Returnspring
HST MODEL
COMPONENTS

Table of Contents

Related product manuals