EasyManua.ls Logo

Branson 4015h - Pipe

Branson 4015h
454 pages
Print Icon
To Next Page IconTo Next Page
To Next Page IconTo Next Page
To Previous Page IconTo Previous Page
To Previous Page IconTo Previous Page
Loading...
6
-
54
42hW-201601
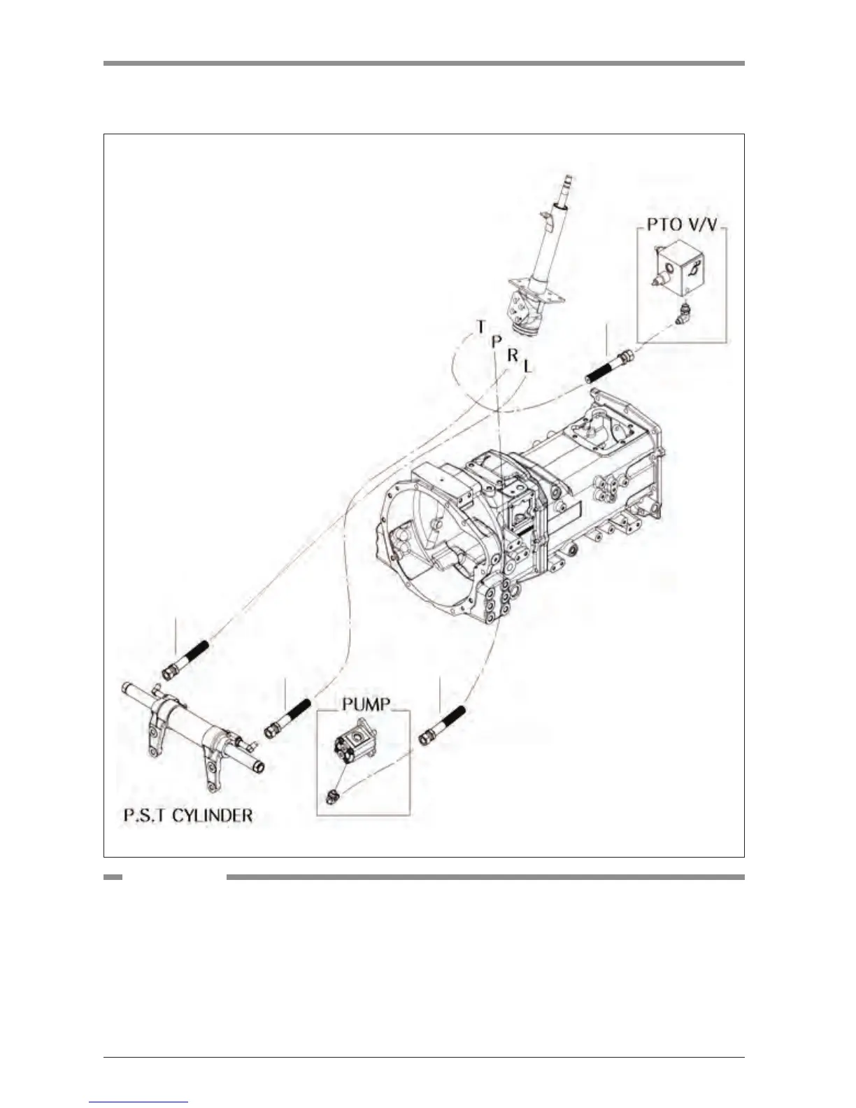
CHAPTER 6 HYDRAULIC SYSTEM 3015R(h)/3515R(h)/4015R(h)/F36R(h)/F42R(h) TRACTOR
6.3 P.S.T PIPE
(1) Hose
(2) Hose
(3) Hose
(4) Hose
COMPONENTS
4
1
2
3
A42W625A

Table of Contents

Related product manuals