EasyManua.ls Logo

Branson 4015h - Circuit Diagram

Branson 4015h
454 pages
Print Icon
To Next Page IconTo Next Page
To Next Page IconTo Next Page
To Previous Page IconTo Previous Page
To Previous Page IconTo Previous Page
Loading...
6
-
39
42hW-201601
CHAPTER 6 HYDRAULIC SYSTEM
6
3015R(h)/3515R(h)/4015R(h)/F36R(h)/F42R(h) TRACTOR
+⭏ⴏ,
Sj5#便
+㨏ⴏ,
W
E
Sj4#俀
Sj5#便
Sj4#俀
4
3
1
5
6
7
2
A42W610B
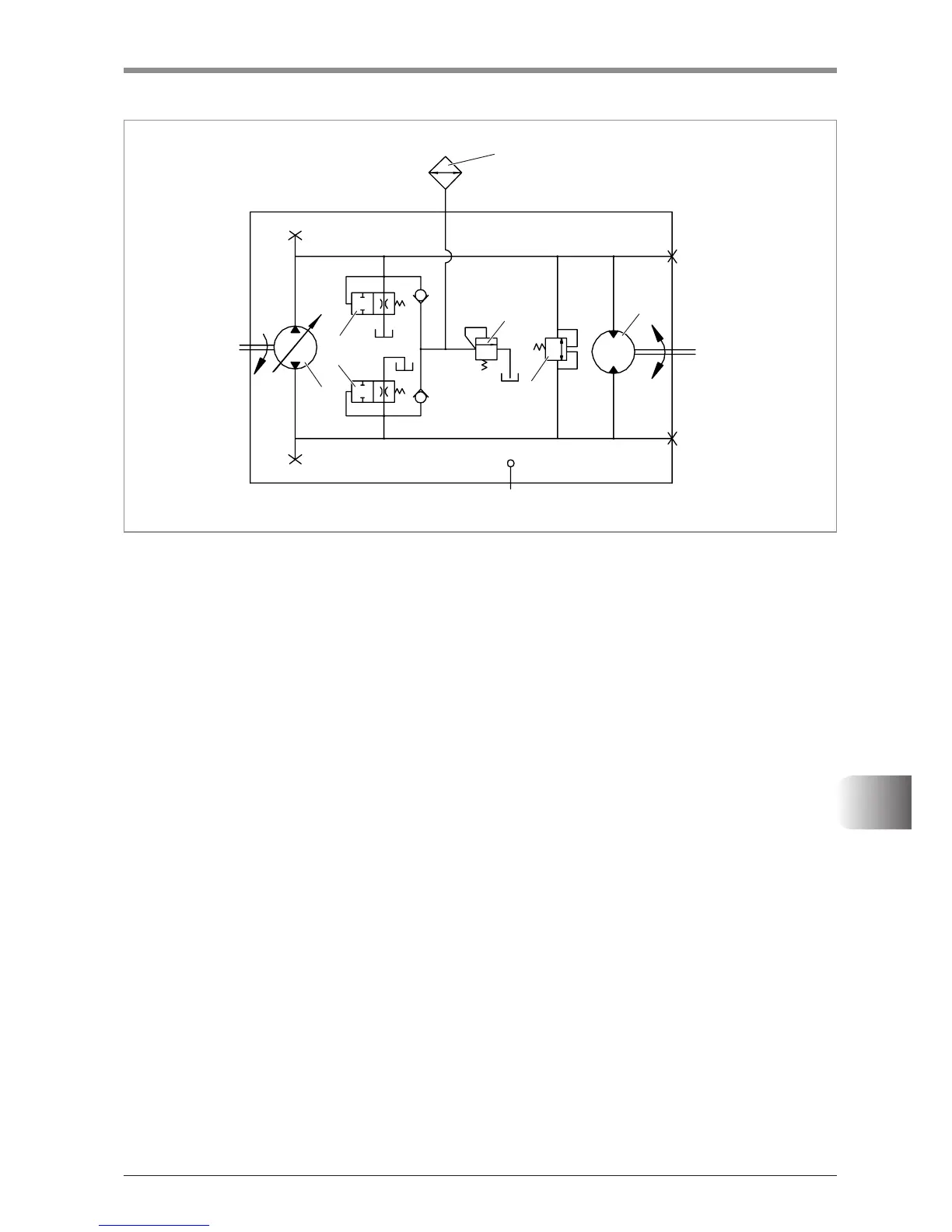
4.10.3 CIRCUIT DIAGRAM
(1) HST pump
(2) Oil cooler
(3) Neutral valve
(4) Neutral valve
(5) Charge relief valve
(6) Main relief valve
(7) HST motor
(Forward)
(Reverse)

Table of Contents

Related product manuals