EasyManua.ls Logo

Branson 4015h - Ignition Switch On

Branson 4015h
454 pages
Print Icon
To Next Page IconTo Next Page
To Next Page IconTo Next Page
To Previous Page IconTo Previous Page
To Previous Page IconTo Previous Page
Loading...
7
-
11
42hW-201601
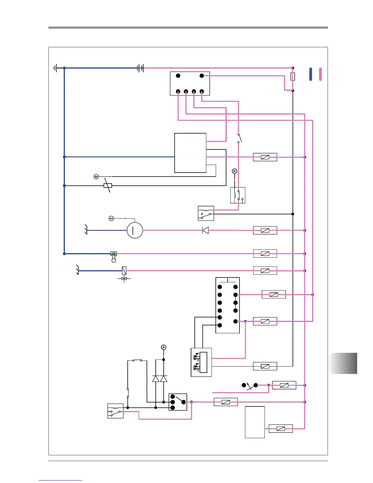
CHAPTER 7 ELECTRIC SYSTEM
7
3015R(h)/3515R(h)/4015R(h)/F36R(h)/F42R(h) TRACTOR
4.2 IGNITION SWITCH ON
$
)5:
7:5
*/:
%:
&
%5
%5
(
&
%
)86(%/,1.32:(5
%/
%/
%%:
%:5
%:%
%/
*/%
)5%
*/:
*/2:&21752//(5
%
)86(
$
$
*/%
7
3
*(1(5$725
*
3
6$)(7<67$57(5
5(/$<3
67$575(/$<
5(/$<3
6%5
%:
%:
%:5
%:%
*:5
,*
)5/
)(('3803 )5*
)86(
%:5
%:%
%:
)5*
&20%,1$7,216:,7&+
%
7
$
)86(
5
%
/
)86(
)86(
)/$6+81,7
7:/
8%
6+85,5(*
5(/$<
6+85,5(*
%$7
%$7
5(/$<
)5*
$
6723/$036:
%:5
(1*,1(672362/
)5<
.(<6:,7&+
*(1(5$725',2'(
%:
&/87&+6$)(7<6:
6%<
372
(1*$*(0(17
6:
)86(
$
3/<
)5*
)5%
3725(/$<
3<*
372&+$1*(6:,7&+
3/5
3<%
6$)(7<6:,7&+
,167580(17
3$1(/
)86(
$
$
)86(
$
)86(
%:5
,*175$,/(5
+
%5
)86(
$
*/2:5(/$<
)8(/3803
%
)8(/&870$*1(79$/9(
:$7(57(03(5$785(6(1625
POWER
GROUND
F42W704A

Table of Contents