EasyManua.ls Logo

Branson 4015h - Page 306

Branson 4015h
454 pages
Print Icon
To Next Page IconTo Next Page
To Next Page IconTo Next Page
To Previous Page IconTo Previous Page
To Previous Page IconTo Previous Page
Loading...
6
-
28
42hW-201601
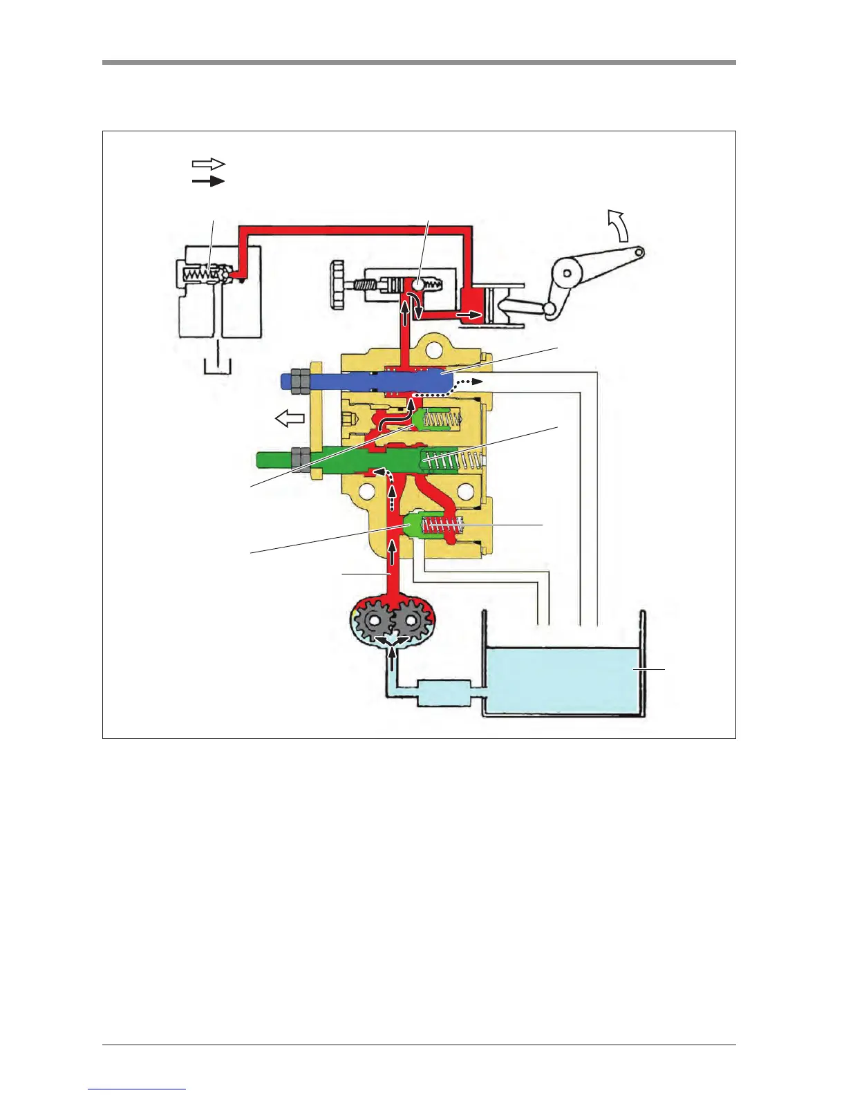
CHAPTER 6 HYDRAULIC SYSTEM 3015R(h)/3515R(h)/4015R(h)/F36R(h)/F42R(h) TRACTOR
LIFTING (LOW-SPEED LIFTING)
As the hydraulic lift is lifted, the feedback link is moved to push the main spool closer to the neutral position.
Then,themechanicalvalveopenslightlyandtheoilowofmainspooltoreturnoilbacktothetank.Butthe
majority of oil is led into the cylinder to reduce shock occurred by lifting operation.
(1) Safety valve
(2) Slow return valve
(3) Load check valve
(4) Mechanical valve
(5) Main spool
(6) Unload valve
(7) Oil tank
4
5
b
7
3
6
a
1
2
⫰ㆣ⪣#⫝̸ᜤ
⥯⫇⪣#㪛᳏
Q25W625A
Operation
Oilow

Table of Contents

Related product manuals