EasyManua.ls Logo

Branson 4015h - Page 341

Branson 4015h
454 pages
Print Icon
To Next Page IconTo Next Page
To Next Page IconTo Next Page
To Previous Page IconTo Previous Page
To Previous Page IconTo Previous Page
Loading...
6
-
63
42hW-201601
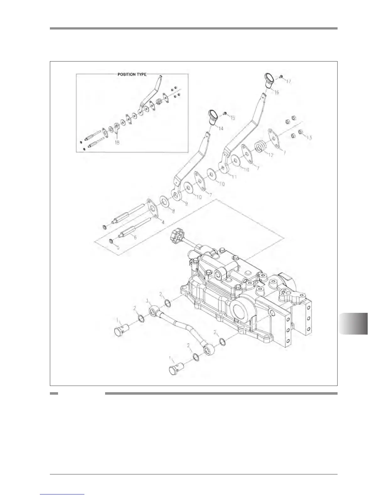
CHAPTER 6 HYDRAULIC SYSTEM
6
3015R(h)/3515R(h)/4015R(h)/F36R(h)/F42R(h) TRACTOR
K25W615A
(1) Connector
(2) Bonded seal
(3) Bracket
(4) Bracket
(6) Bolt
(7) Bracket A
(8) Plate, friction
(9) Lever, D-control
(10) Plate A
(11) Lever, P-control
(12) Spring
(13) Hex nut
(14) Knob ass’y, draft control
(15) Screw
(16) Knob ass’y, positoin control
(17) Screw
(18) Arm,lever
COMPONENTS

Table of Contents

Related product manuals