EasyManua.ls Logo

Branson 4015h - Page 89

Branson 4015h
454 pages
Print Icon
To Next Page IconTo Next Page
To Next Page IconTo Next Page
To Previous Page IconTo Previous Page
To Previous Page IconTo Previous Page
Loading...
2
-
43
42hW-201601
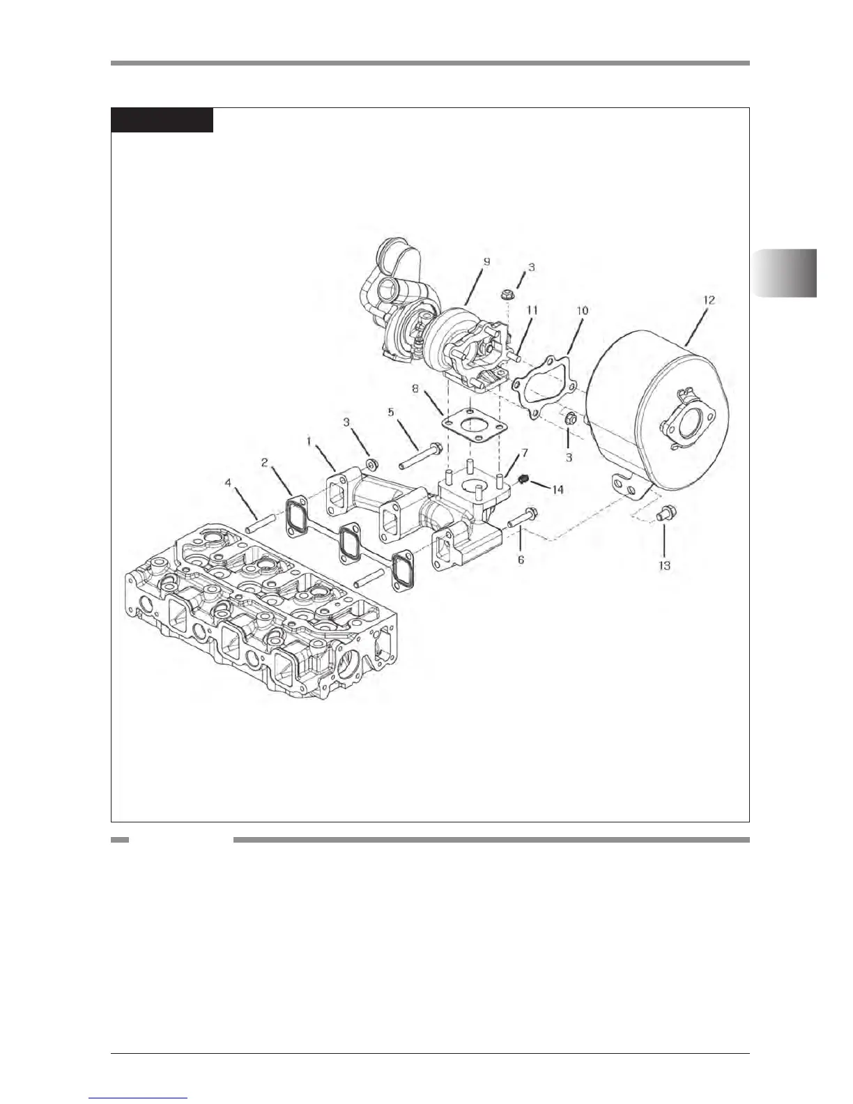
CHAPTER 2 ENGINE3015R(h)/3515R(h)/4015R(h)/F36R(h)/F42R(h) TRACTOR
2
F42W207A
(1) Manifold, exhaust
(2) Gasket, exh. Manifold
(3) Nut, ange 8
(4) Bolt, stud 8 x 40
(5) Bolt, ange 8 ×65
(6) Bolt, ange 8 × 80
(7) Bolt, stud 8 x 22
(8) Gasket(T/C in)
(9) Turbo charge
(10) Gasket(T/C out)
(11) Bolt, stud 8 x 22
(12) Silencer, exhaust
(13) Bolt, ange 10 x 16
(14) Plug, pt 1/4
COMPONENTS
A1700T2_ETR

Table of Contents

Related product manuals