EasyManua.ls Logo

BraunAbility 02 Series - Page 19

BraunAbility 02 Series
37 pages
Print Icon
To Next Page IconTo Next Page
To Next Page IconTo Next Page
To Previous Page IconTo Previous Page
To Previous Page IconTo Previous Page
Loading...
Page 19
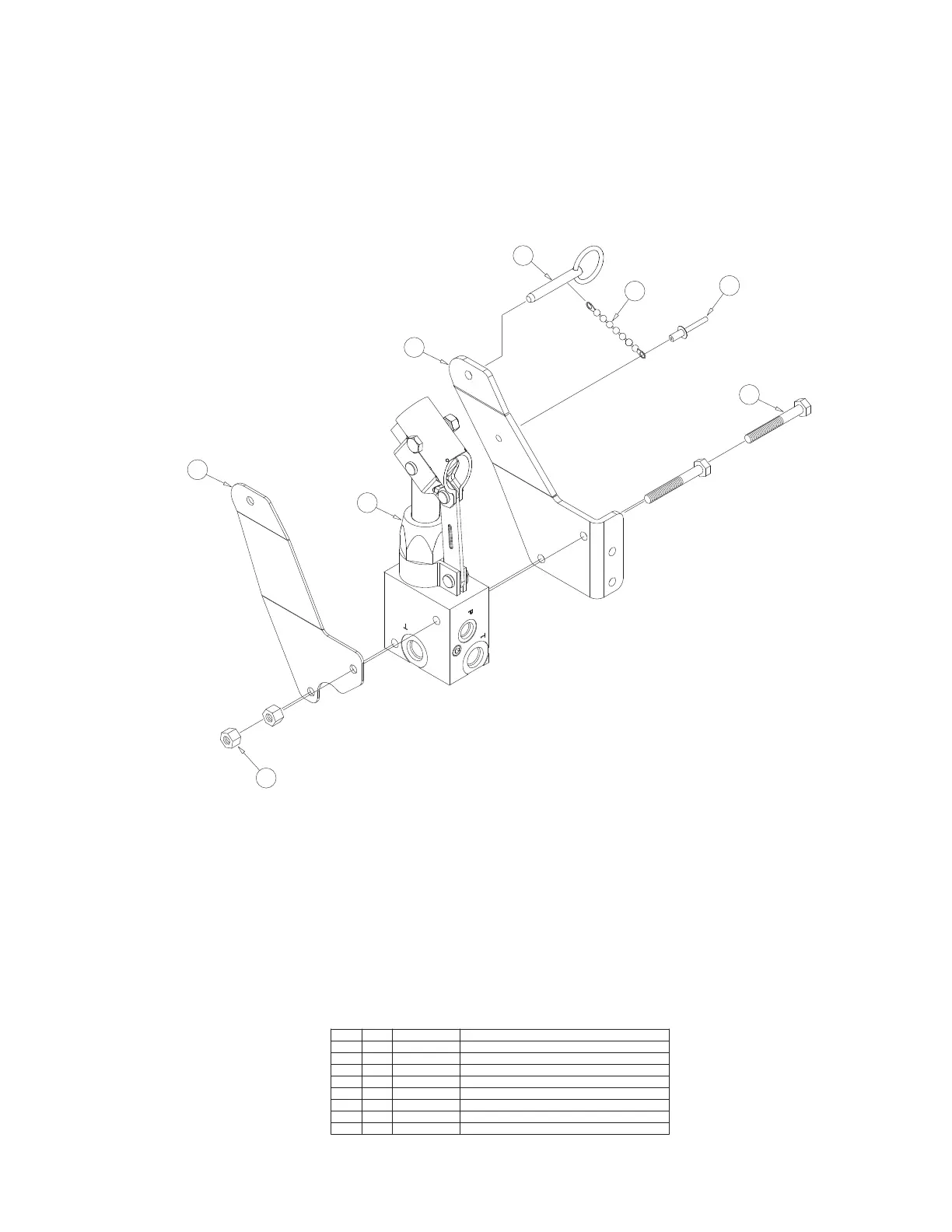
CHAIN-BEADED-2 3/8"
36012
1
5
BRACKET-HAND PUMP MTG (500-0200A = ITEMS 4 - 7)
500-0200BM
1
4
RIV-POP-SD64BS-3/16"-.13/.25"/AUTO-BK
11513
1
6
PIN-DETENT-1/4" X 1 1/2"
14675
1
7
BRACKET-BOTTOM-HAND PUMP MTG
500-0200BBM
1
8
NUT-1/4-20 NYLOCK/AUTO-BK
14614
23
BOLT-1/4-20 X 2" HEX
10003
2
2
HAND PUMP- BAY LIFT
34572
11
DESCRIPTION
PART NUMBER
QTY
ITEM
6
2
3
4
1
7
8
5
Hand Pump Assembly Exploded View and Parts List

Related product manuals