EasyManua.ls Logo

Bridgeview BALE KING 5300 - Page 100

Default Icon
114 pages
Print Icon
To Next Page IconTo Next Page
To Next Page IconTo Next Page
To Previous Page IconTo Previous Page
To Previous Page IconTo Previous Page
Loading...
Bridgeview Manufacturing Inc.
Page 96
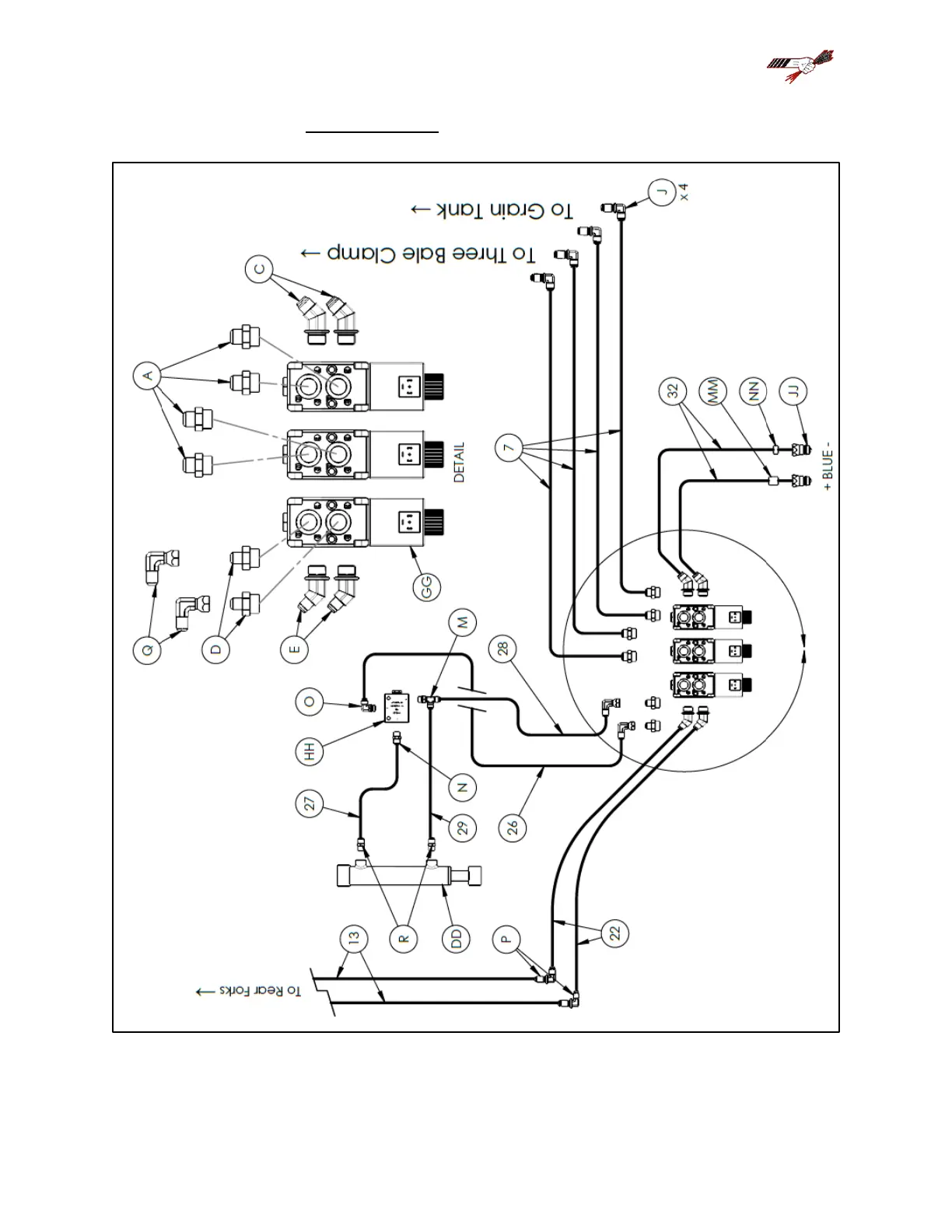
FRONT PANEL 2 OPTION 2 REMOTE