EasyManua.ls Logo

Broaster 1800 - 1600 XP;1800 EXP Mechanical

Broaster 1800
56 pages
Print Icon
To Next Page IconTo Next Page
To Next Page IconTo Next Page
To Previous Page IconTo Previous Page
To Previous Page IconTo Previous Page
Loading...
3-12
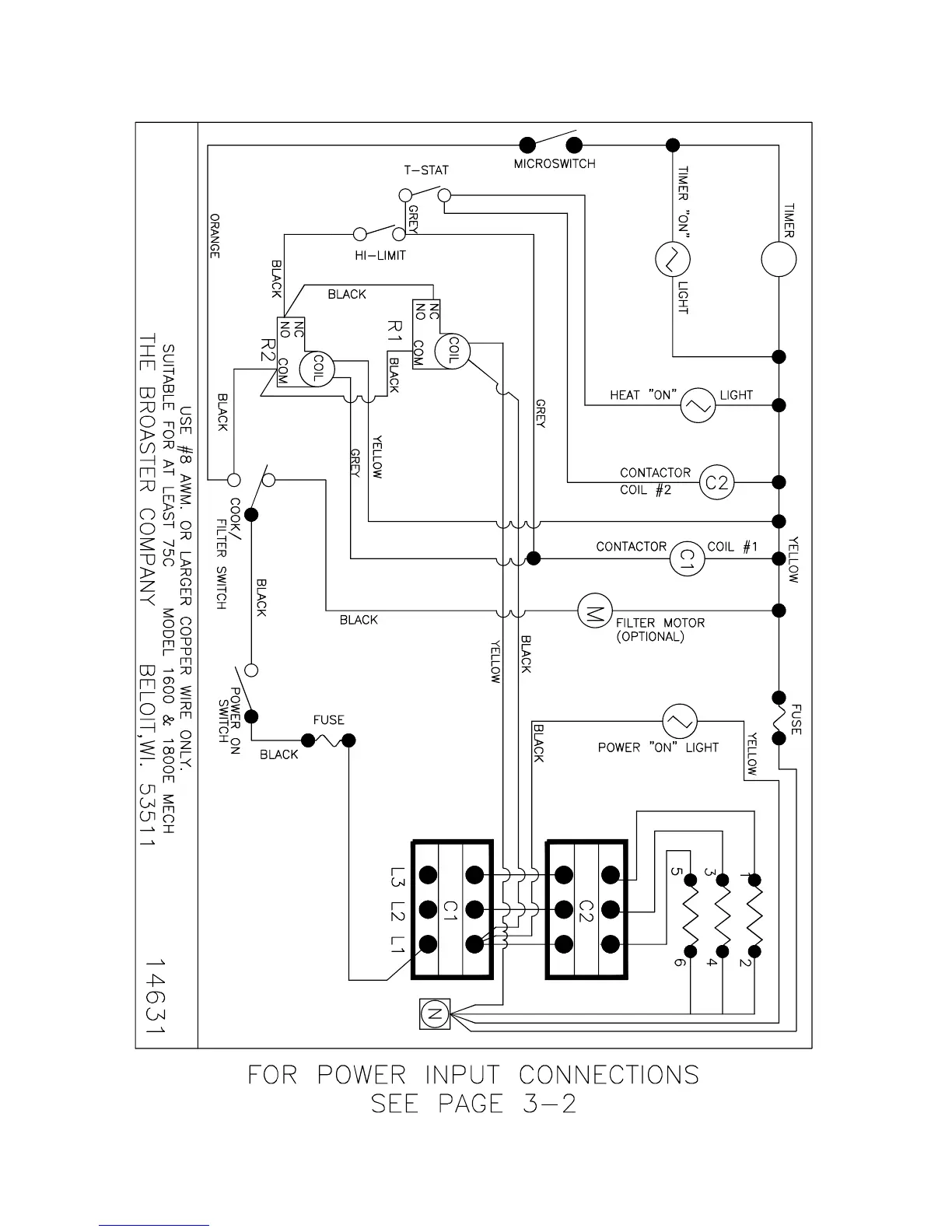
EXPORT: 1600XP/1800EXP Mechanical:
broaster.com Manual #14678 1/99 Rev 2/14

Other manuals for Broaster 1800

Related product manuals