EasyManua.ls Logo

Broaster 1800 - 1600 CE;1800 ECE Solid State

Broaster 1800
56 pages
Print Icon
To Next Page IconTo Next Page
To Next Page IconTo Next Page
To Previous Page IconTo Previous Page
To Previous Page IconTo Previous Page
Loading...
3-19
C2
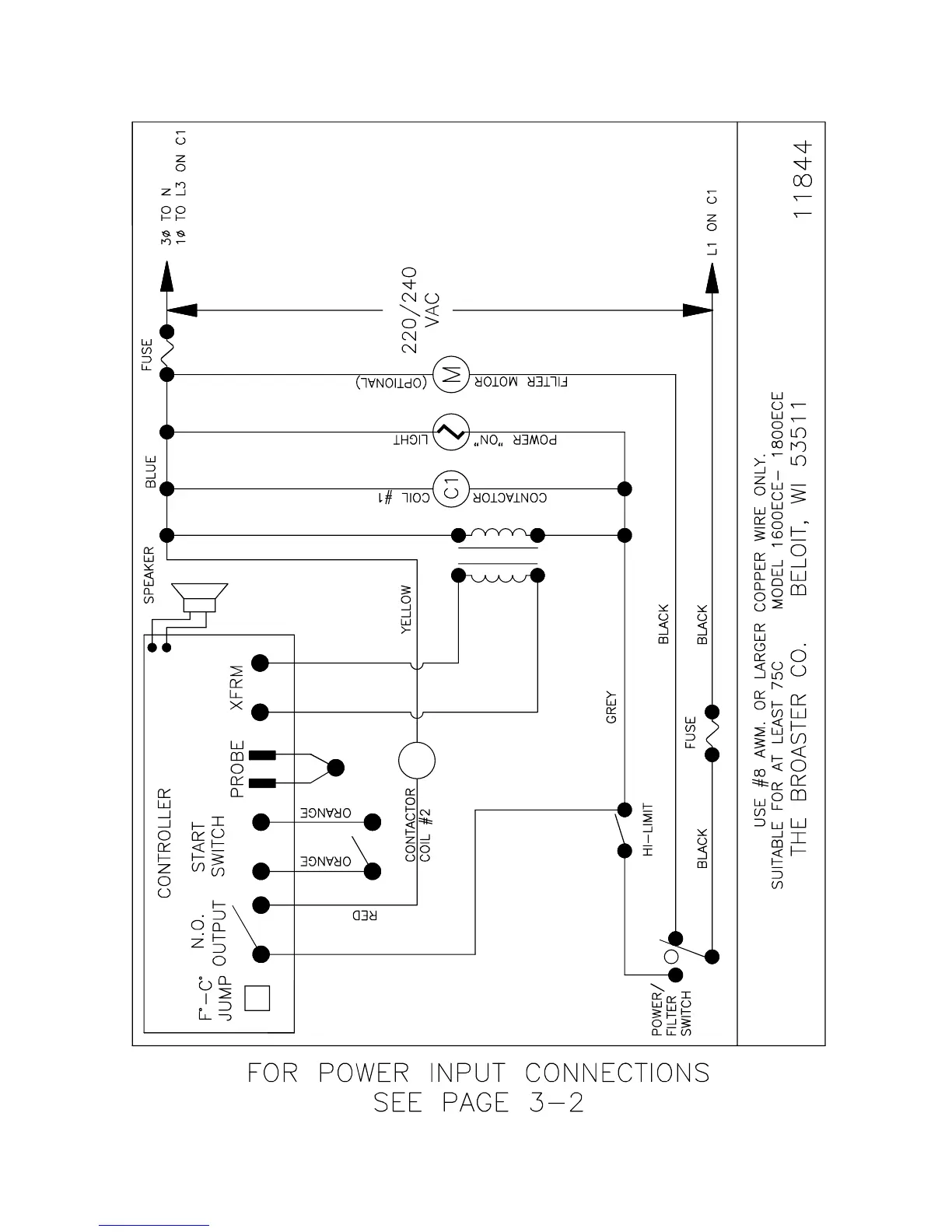
EU: 1600CE/1800ECE SOLID STATE:
broaster.com Manual #14678 1/99 Rev 2/14

Other manuals for Broaster 1800

Related product manuals