EasyManua.ls Logo

Broaster 1800 - Export: 1800 Gh

Broaster 1800
56 pages
Print Icon
To Next Page IconTo Next Page
To Next Page IconTo Next Page
To Previous Page IconTo Previous Page
To Previous Page IconTo Previous Page
Loading...
4-3
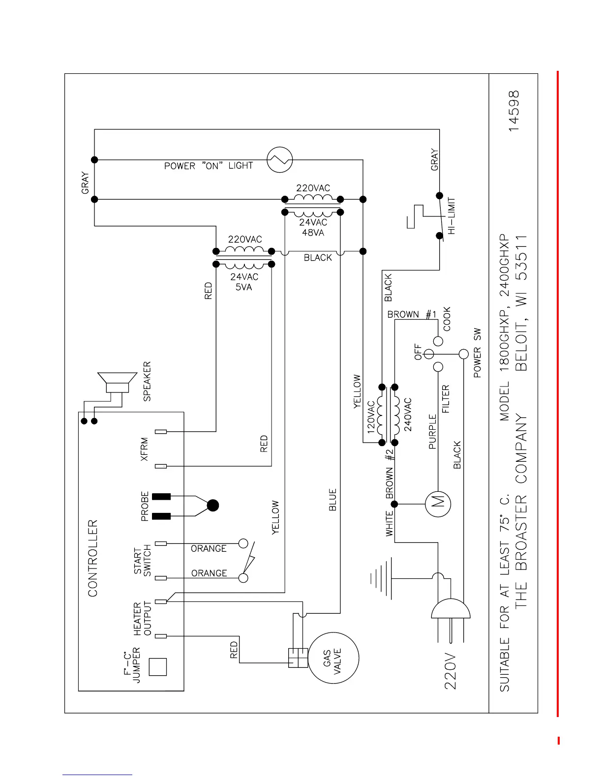
EXPORT: 1800GH Wiring Diagram:
broaster.com Manual #14678 1/99 Rev 10/14

Other manuals for Broaster 1800

Related product manuals