EasyManua.ls Logo

Broaster 1800 - Electrical Characteristics; Electrical Connections

Broaster 1800
56 pages
Print Icon
To Next Page IconTo Next Page
To Next Page IconTo Next Page
To Previous Page IconTo Previous Page
To Previous Page IconTo Previous Page
Loading...
4-2
ELECTRICAL CHARACTERISTICS
The Model 1800GH is available for 120VAC
applied voltage, 15 amp, 60Hz, 1 phase
electrical connection in the USA and
120VAC or 220VAC applied voltage, 15
amp, 50/60Hz, 1 phase electrical connec-
tion for export applications.
When installed, the unit must be electri-
cally grounded in accordance with local
codes, or in the absence of local codes,
with the National Electrical Code, ANSI/
NFPA 70, or the Canadian Electrical
Code, CSA C22.2, as applicable.
ELECTRICAL CONNECTIONS
Applied voltage should match data plate
listed voltage.
Electrical Grounding
Instructions - The Model
1800GH is equipped with a three-prong
(grounding) plug for your protection against
shock hazard and should be plugged
directly into a properly grounded three-
prong receptacle. DO NOT cut or remove
grounding prong from this plug.
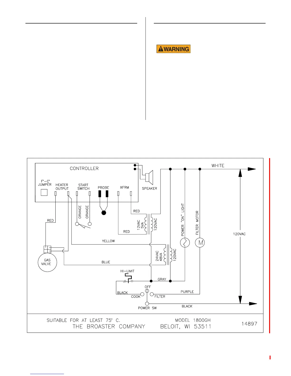
1800GH Wiring Diagram:
broaster.com Manual #14678 1/99 Rev 10/14

Other manuals for Broaster 1800

Related product manuals