EasyManua.ls Logo

Brother HL-L2300D - Eject Sensor PCB ASSY

Brother HL-L2300D
205 pages
To Next Page IconTo Next Page
To Next Page IconTo Next Page
To Previous Page IconTo Previous Page
To Previous Page IconTo Previous Page
Loading...
3-45
Confidential
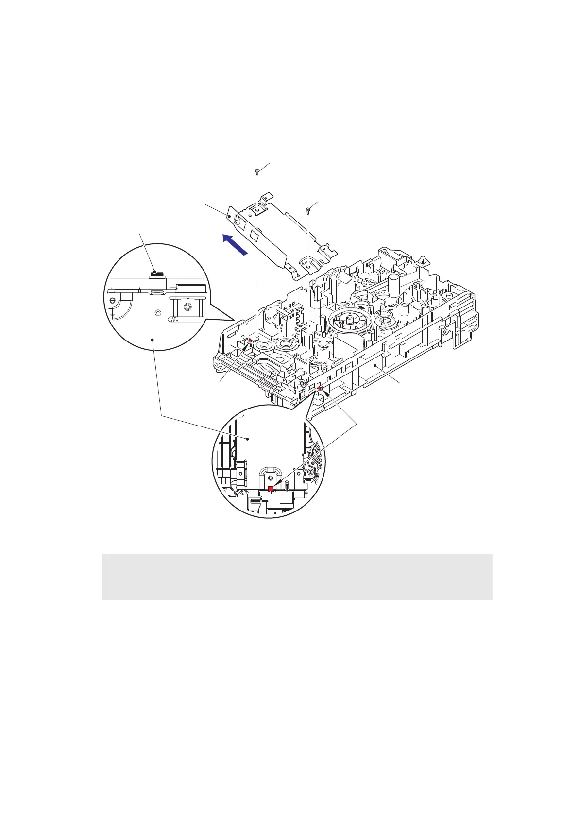
9.24 Eject Sensor PCB ASSY
(1) Remove the taptite cup S M3x8 SR screw and the screw pan (S/P washer) M3x12DB
screw. Lift the upper side of the main shield plate up to remove it from the pin, and pull
out the main shield plate in the direction of the arrow to remove it from the rib of the main
frame L ASSY.
Fig. 3-48
Assembling Note:
When assembling the main shield plate, check that the main PCB ground spring is not
inclined. Attach it correctly as shown in the figure above.
Screw pan (S/P washer) M3x12DB
Main shield plate
Taptite cup S M3x8 SR
Main frame L ASSY
Rib
Pin
Main shield plate
Main PCB ground spring

Table of Contents

Other manuals for Brother HL-L2300D

Related product manuals