EasyManua.ls Logo

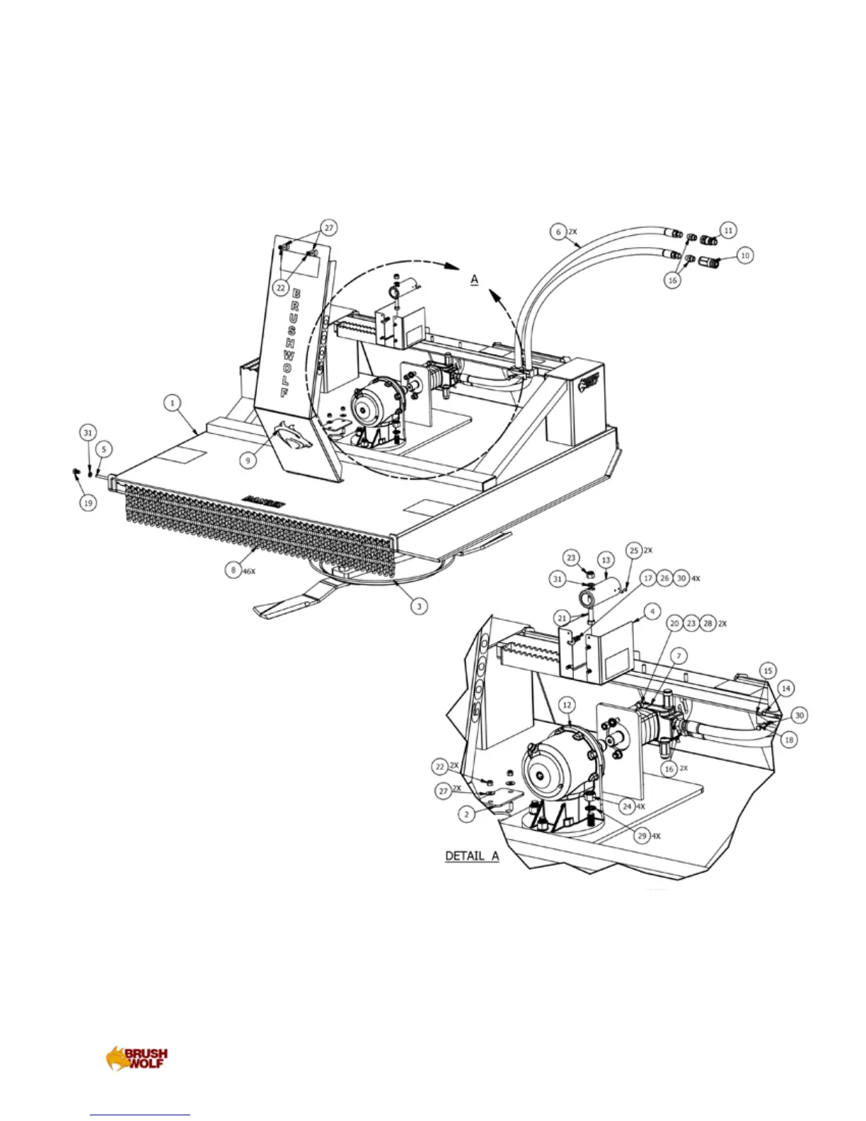
Brush Wolf 7201 - 6000 Low Flow & Standard Parts Diagram

Default Icon
44 pages
Print Icon
To Next Page IconTo Next Page
To Next Page IconTo Next Page
To Previous Page IconTo Previous Page
To Previous Page IconTo Previous Page
Loading...
— 18 —
6000 Model Parts List - Low Flow & Standard

Related product manuals