EasyManua.ls Logo

Brush Wolf 7201 - 7200 HF Parts Diagram

Default Icon
44 pages
Print Icon
To Next Page IconTo Next Page
To Next Page IconTo Next Page
To Previous Page IconTo Previous Page
To Previous Page IconTo Previous Page
Loading...
— 26 —
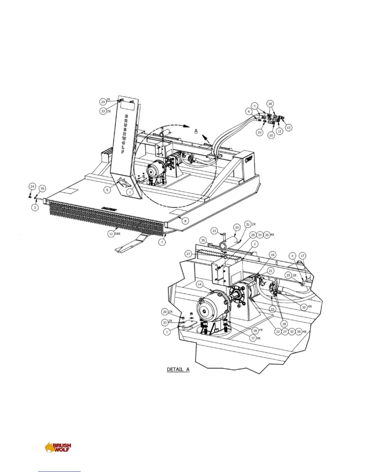
7200 HF Model Parts List - High Flow

Related product manuals