EasyManua.ls Logo

Brush Wolf 7201 - Page 36

Default Icon
44 pages
Print Icon
To Next Page IconTo Next Page
To Next Page IconTo Next Page
To Previous Page IconTo Previous Page
To Previous Page IconTo Previous Page
Loading...
— 36 —
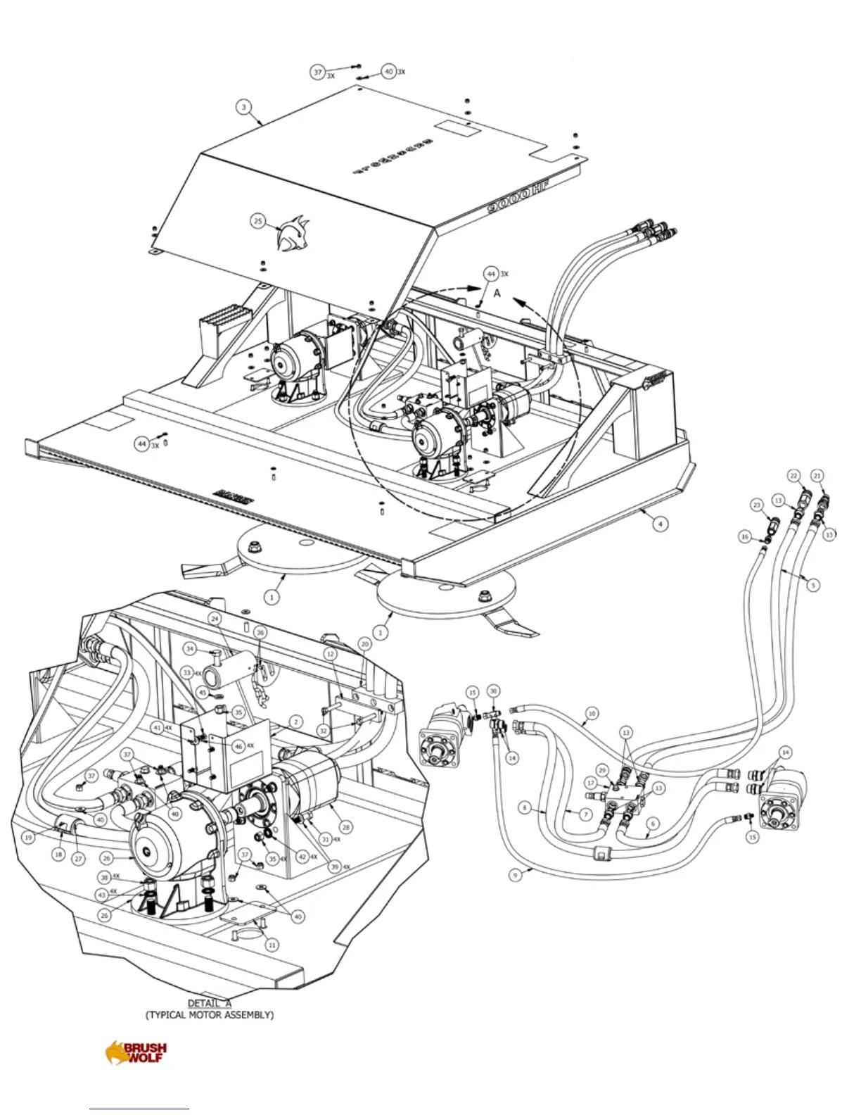
9000 HF Model Parts Diagram - High Flow Model
PLUMBING LAYOUT

Related product manuals