EasyManua.ls Logo

Bunn ULTRA-2 - Page 33

Bunn ULTRA-2
34 pages
Print Icon
To Next Page IconTo Next Page
To Next Page IconTo Next Page
To Previous Page IconTo Previous Page
To Previous Page IconTo Previous Page
Loading...
33
J13-1
J1-1
J13-5
J13-10
J5-1
J5-5
J5-10
J5-16
1
16
J2-1
J2-5
J2-10
J2-12
J13-15
J13-20
J13-24
C
O
N
T
R
O
L
B
O
A
R
D
D
I
S
P
L
A
Y
RED/BLK
WHI/RED-22
BLK-22
ORN-22
YEL-22
GRN-22
GRN
GRN
BLU-22
VIO-22
GRY-22
WHI-22
TAN-22
PNK-22
WHI/BLK-22
BRN/WHI
BRN/BLK
BLK
WHI
VIO
WHI/BLU
WHI/BLK-22
YEL-22
GRY
ORN
BRN-20
TAN-22
TAN
BLU-22
BLU-22
TAN-22
YEL-22
ORN WHI
WHI
WHI/ORN
BLK
PNK-22
WHI/BLK-22
WHI/BLK-22
WHI/BLK
WHI/BLU
BLK
BLK
BLU/BLK
WHI
WHI
WHI
GRY
VIO
WHI/YEL
WHI/BLK-22
PNK-22
PNK
RED-20
RED
RED
BRN-20
RED-20
BLU-22
BLU
BLU
WHI/BLK-22
WHI/BLK
WHI/GRY-22
WHI/GRN-22
BLU/BLK
WHI/RED
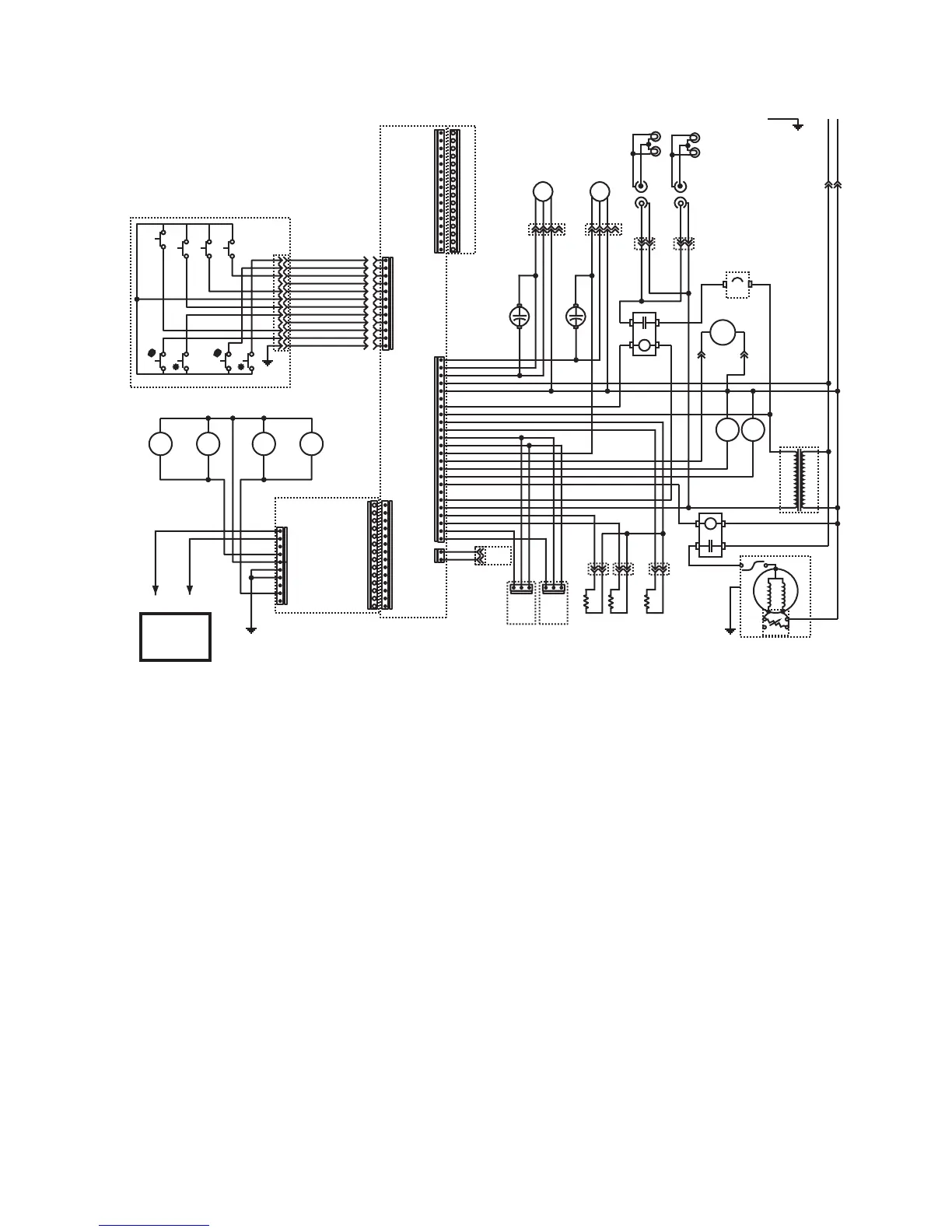
SCHEMATIC WIRING DIAGRAM ULTRA-2
120 VOLTS AC
2 WIRE
SINGLE PHASE
60 HZ
32082.0002A 01/05 © 2005 BUNN-O-MATIC CORPORATION
MM
LEFT
AUGER
RIGHT
AUGER
LEFT
LAMP
ASSY
RIGHT
LAMP
ASSY
BLK
RED
WHI
BLK
BLK
RED
RED
BRN/WHI
BRN/BLK
WHI/RED
WHI/VIO-22
WHI/BLK-22
WHI/VIO-22
WHI/BLK-22
BRN/WHI
WHI/RED
RED/BLK
BRN/BLK
RED/BLK
WHI
WHI
WHI
1
4
1
1
1
4
LEFT
TORQUE
SENSOR
RIGHT
TORQUE
SENSOR
LEFT
11
11 1
t
RIGHT
t
HOT
GAS
t
NL
GRN
BLK
WHI
BLK
WHI
FAN
MOTOR
C
C
BLK
RED
LEFT
SOL.
RIGHT
SOL.
START
RUN
COMPRESSOR ASSY
TRANSFORMER
CIRCUIT
BREAKER
LAMP
RELAY
COMPRESSOR RELAY
LIMIT
THERM.
COMPRESSOR
MOTOR
3
PTC
ASSY
4
56
2
1
N
5
AMP
GRN/YEL-16
1
CLOCK
BLK-22
WHI-22
WHI
WHI WHIWHIWHI
12
1
MEMBRANE
SWITCH
I/O
I/O I/O
ULTRA
GOURMET
ICE
SHIELD
J2-1
J2-5
J2-10
LEFT
WATER.
LEFT
PRODUCT.
SOL.SOL.
RIGHT
WATER
RIGHT
LEVEL
PROBE
LEFT
LEVEL
PROBE
RIGHT
PRODUCT
J1-1
J1-14
J12-1
J12-14
SOL.SOL.
32080.0001 120105
(Late Model Dispensers)