EasyManua.ls Logo

Busch-Jaeger Prasenz tech 6813-101 - Page 120

Busch-Jaeger Prasenz tech 6813-101
Print Icon
To Next Page IconTo Next Page
To Next Page IconTo Next Page
To Previous Page IconTo Previous Page
To Previous Page IconTo Previous Page
Loading...
NL
120
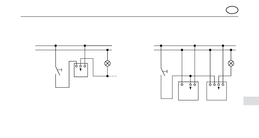
Fig. 3/Fig. 4
Combinatie met de MOS-Fet-sokkel 6804U
en impulsdrukker met maakcontact
Combinatie met universele relaissokkel
6401U-102 en actieve nevenpost 6805U en
impulsdrukker met maakcontact
L1
N
L1
6804U
impulsdrukker
met
maakcontact
L1
N
1N
L
L
N
6805U 6401U-102
impulsdrukker
met
maakcontact

Table of Contents