EasyManua.ls Logo

Busch-Jaeger Prasenz tech 6813-101 - Page 121

Busch-Jaeger Prasenz tech 6813-101
Print Icon
To Next Page IconTo Next Page
To Next Page IconTo Next Page
To Previous Page IconTo Previous Page
To Previous Page IconTo Previous Page
Loading...
NL
121
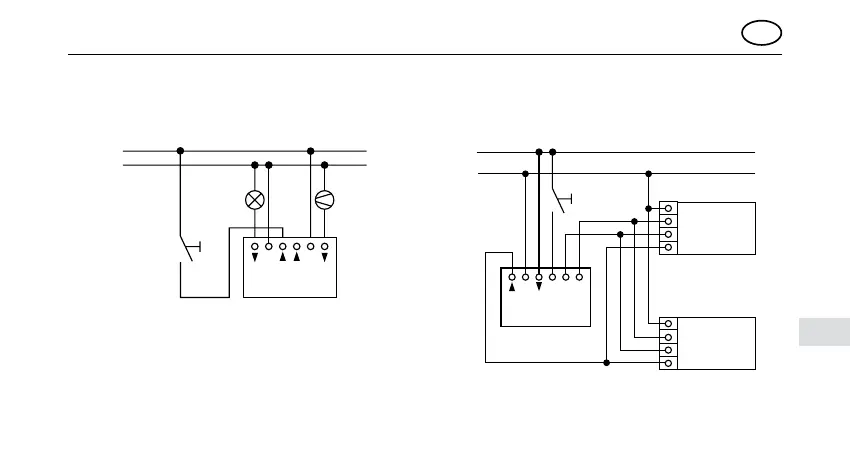
Fig. 5/Fig. 6
Combinatie met universele serie-sokkel
6402U en impulsdrukker met maakcontact
Combinatie met het universele druktoets-
regelapparaat 6550U-101 en impulsdrukker
met maakcontact
21K1 K2
LN
L1
N
6402U
impulsdrukker
met
maakcontact
L
N
+
N
L
+
N
L
1N –+
EVA
EVA

Table of Contents