EasyManua.ls Logo

Busch-Jaeger Prasenz tech 6813-101 - Page 45

Busch-Jaeger Prasenz tech 6813-101
Print Icon
To Next Page IconTo Next Page
To Next Page IconTo Next Page
To Previous Page IconTo Previous Page
To Previous Page IconTo Previous Page
Loading...
F
45
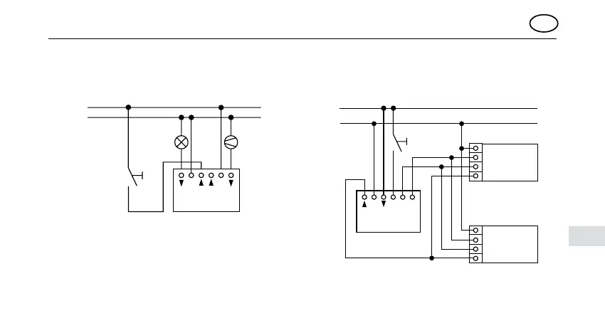
Fig. 5/Fig. 6
Combinaison avec l’insertion série univer-
selle 6402U et contact de fermeture
Combinaison avec l’appareil de commande
à bouton-poussoir universel et contact de
fermeture
21K1 K2
LN
L1
N
6402U
Contact de
fermeture
L
N
+
N
L
+
N
L
1N –+
ballast
ballast

Table of Contents