EasyManua.ls Logo

Busch-Jaeger Prasenz tech 6813-101 - Page 81

Busch-Jaeger Prasenz tech 6813-101
Print Icon
To Next Page IconTo Next Page
To Next Page IconTo Next Page
To Previous Page IconTo Previous Page
To Previous Page IconTo Previous Page
Loading...
GB
81
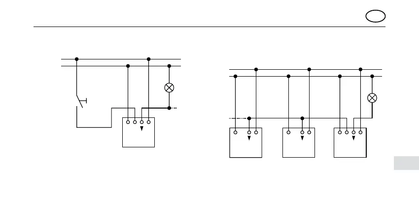
In conjunction with Extension 6805U (paral-
lel connection master/slave)
Fig. 1/Fig. 2
In conjunction with Universal Relay Insert
6401U-102
NOTE
In the case of illuminated pushbuttons, only
pushbuttons with a separate N terminal can
be used.
Illumination via parallel contacts
is not permissible!
L1
N
1N
L
6401U-102
NO-contact
pushbutton
L1
N
1N
L
N
L
N
L
6805U 6805U 6401U-102

Table of Contents