EasyManua.ls Logo

Busch-Jaeger Prasenz tech 6813-101 - Page 83

Busch-Jaeger Prasenz tech 6813-101
Print Icon
To Next Page IconTo Next Page
To Next Page IconTo Next Page
To Previous Page IconTo Previous Page
To Previous Page IconTo Previous Page
Loading...
GB
83
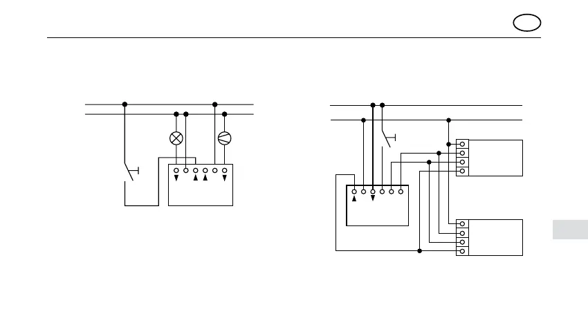
Fig. 5/Fig. 6
In conjunction with Universal Series Insert
6402U and NO-contact pushbutton
In conjunction with Universal Pushbutton
Controller 6550U-101 and NO-contact
pushbutton
21K1 K2
LN
L1
N
6402U
NO-contact
pushbutton
L
N
+
N
L
+
N
L
1N –+
EB
EB

Table of Contents